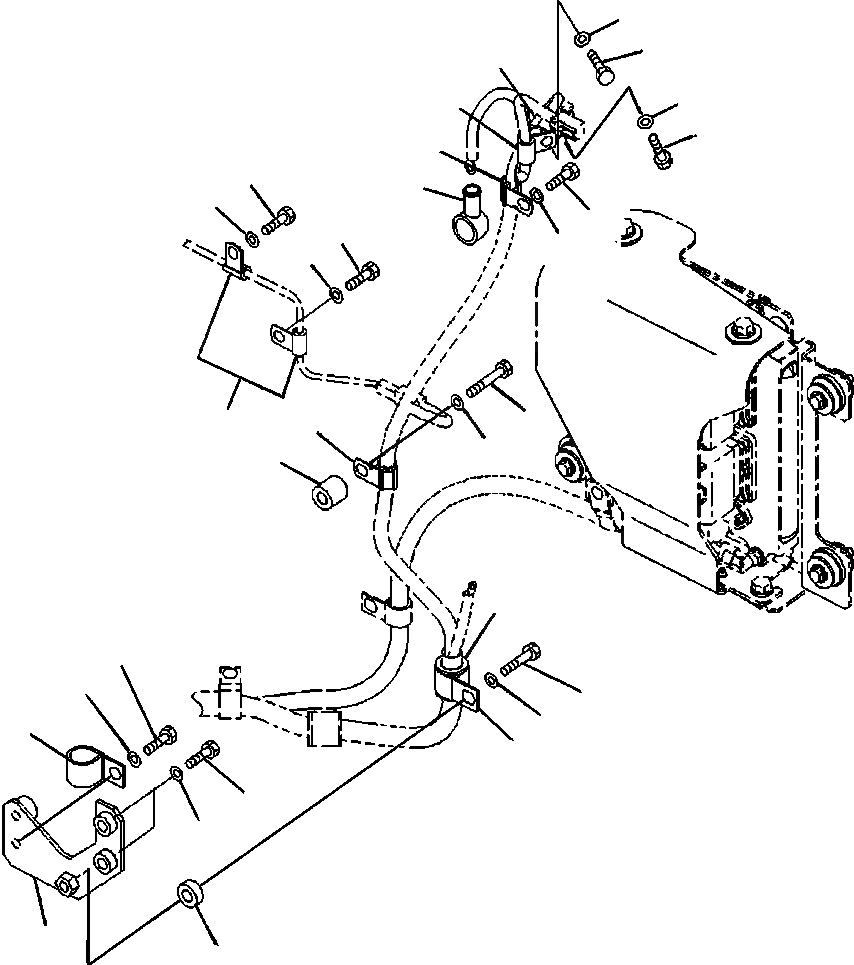
Запчасти Komatsu PC88MR-8 E- УПРАВЛ-Е ДВИГАТЕЛЕМLER Э/ПРОВОДКА КРЕПЛЕНИЕ ЭЛЕКТРИКА

Схема запчастей Komatsu PC88MR-8 - E- УПРАВЛ-Е ДВИГАТЕЛЕМLER Э/ПРОВОДКА КРЕПЛЕНИЕ ЭЛЕКТРИКА
18
17
18
17
13
24
19
25
14
24
15
25
6
23
9
11
12
10
5
21
22
20
7
4
2
3
1
8
16
16
FIT
1:1
100%

Артикул

Название

Примечание

Количество

1

22P-06-11221

BRACKET . . . . . . . . . . . . . . .

2

01010-81030

BOLT

3

01643-31032

WASHER

4

04434-52712

CLIP

5

07095-20420

CUSHION

6

01010-81235

BOLT

7

01643-31232

WASHER

8

198-43-15310

COLLAR, T=10 MM

9

600-051-2140

CLIP

10

195-33-11220

SPACER

11

01010-81045

BOLT

12

01643-31032

WASHER

13

600-051-2140

CLIP

14

01010-81020

BOLT

15

01643-31032

WASHER

16

600-051-2100

CLIP

17

01010-81016

BOLT

18

01643-31032

WASHER

19

08038-12027

CAP, TERMINAL

20

04434-52512

CLIP

21

01010-81220

BOLT

22

01643-31232

WASHER

23

600-051-2060

CLIP

24

01010-81020

BOLT

25

01643-31032

WASHER

Выбрано товаров: 25