Качественные детали и логистика
Оригинальные и аналоговые запчасти с доставкой по России, Казахстану и Беларуси
©2022 PartSell ООО "Система" ИНН 2463123282 ОГРН 1212400004838
Центральный офис: г. Красноярск, Академика Киренского, д.87, пом.4
Телефон: 8 (800) 777-65-74 Email: zakaz@partsell.ru
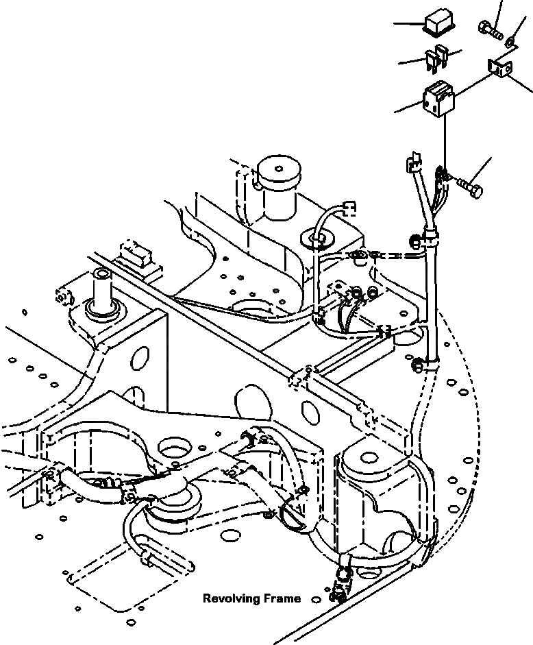
E-7 ПРЕДОХРАНИТЕЛЬ ДЕРЖАТЕЛЬ С ИЛИ БЕЗ ДОПОЛН. АКТУАТОР
№
Артикул
Название
Примечание
Количество
1
421-06-22880
HOLDER. . . . . . . . . . . . . . . .
2
421-06-22990
BOLT
3
421-06-22910
BRACKET
4
01010-80816
5
01643-30823
WASHER
6
421-06-22830
FUSE, 120 AMP.
7
417-06-22610
FUSE, 50 AMP. . . . . . . . . . . . .
Выбрано товаров: 0