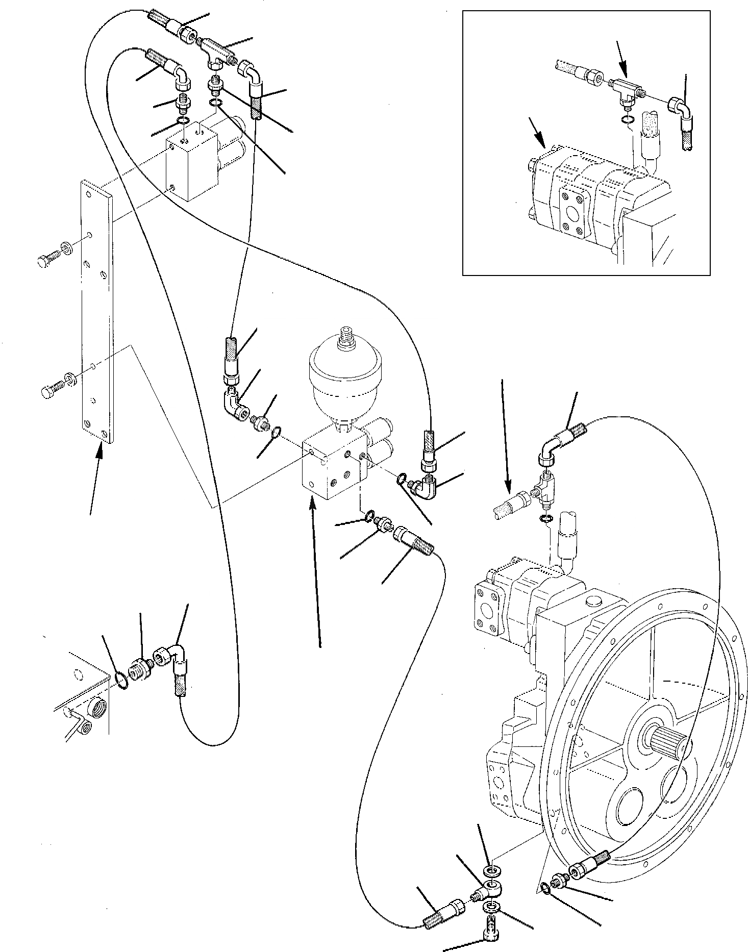
Запчасти Komatsu PC95-1 ГИДРОЛИНИЯ (PPC ТРУБЫ) (/) УПРАВЛ-Е РАБОЧИМ ОБОРУДОВАНИЕМ

Схема запчастей Komatsu PC95-1 - ГИДРОЛИНИЯ (PPC ТРУБЫ) (/) УПРАВЛ-Е РАБОЧИМ ОБОРУДОВАНИЕМ
3
4
10
18
19
10
18
19
10
22
5
6
10
20
21
8
7
9
23
3
1
2
11
17
16
9
14
15
13
12
A
A
A
A
B
FIT
1:1
100%

Артикул

Название

Примечание

Количество

1

21D-09-51200

UNION

2

21D-09-69970

O-RING

3

21D-09-97480

HOSE

4

21D-09-56860

UNION

5

21D-09-51180

UNION

6

21D-09-69960

O-RING

7

21D-09-51160

UNION

8

21D-09-69960

O-RING

9

21D-09-97130

HOSE

10

21D-09-97490

HOSE

11

21D-09-95830

HOSE

12

21D-09-54160

UNION

13

21D-09-69960

O-RING

14

21D-62-15230

SCREW

15

21D-09-73170

GASKET

16

21D-09-66460

UNION

17

21D-09-73150

GASKET

18

21D-09-51190

UNION

19

21D-09-69910

O-RING

20

21D-09-51620

ELBOW

21

21D-09-69960

O-RING

22

21D-09-55620

ELBOW

23

21D-09-95820

HOSE

Выбрано товаров: 23