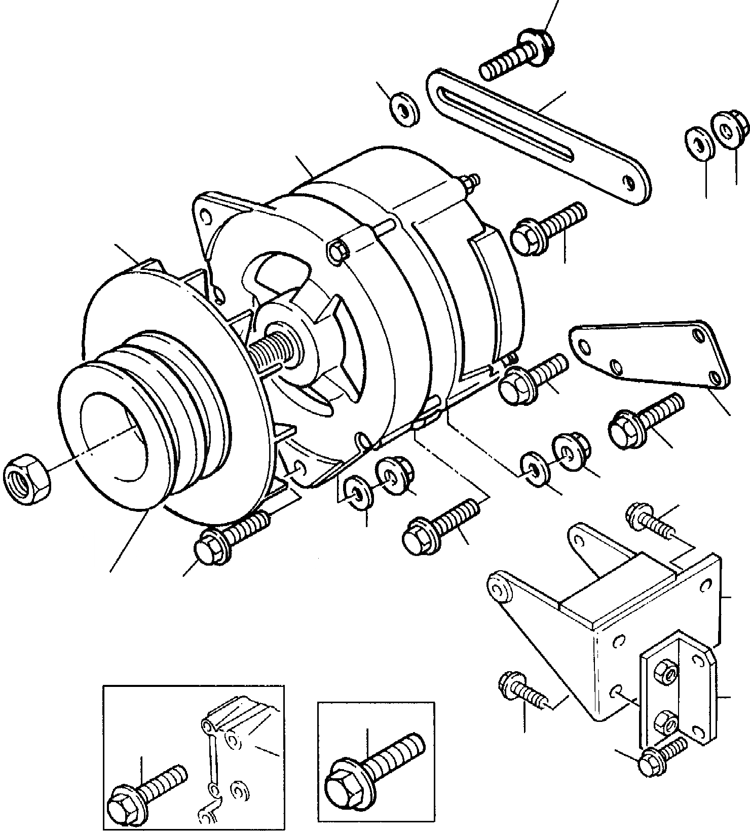
Запчасти Komatsu PC95-1 ГЕНЕРАТОР И ГЕНЕРАТОР ДВИГАТЕЛЬ

Схема запчастей Komatsu PC95-1 - ГЕНЕРАТОР И ГЕНЕРАТОР ДВИГАТЕЛЬ
15
23
14
2
34
25
3
16
26
20
21
8
8
10
6
6
7
5
4
9
12
40
11
1
13
FIT
1:1
100%

Артикул

Название

Примечание

Количество

1

6810-51-6130

SCREW

2

6810-81-6101

ALTERNATOR

3

6810-81-6330

FAN

4

6810-81-6110

PULLEY, ALTERNATOR

5

6810-71-5150

SCREW

6

6810-61-5260

WASHER

7

6810-51-6130

SCREW

8

6810-61-3180

NUT

9

6810-81-6231

BRACKET

10

6810-81-6140

SCREW

11

6810-21-1330

BOLT

12

6810-81-6232

BRACKET

13

6810-21-3170

SCREW

14

6810-81-6160

BRACKET

15

6810-21-1330

BOLT

16

6810-81-6140

SCREW

20

6810-81-6180

BRACKET

21

6810-51-6130

SCREW

23

6810-81-6220

WASHER

25

6810-61-5160

WASHER

26

6810-81-6210

SCREW

34

6810-81-6170

NUT

40

6810-21-3180

BOLT

40

6810-51-1170

SCREW

Выбрано товаров: 24