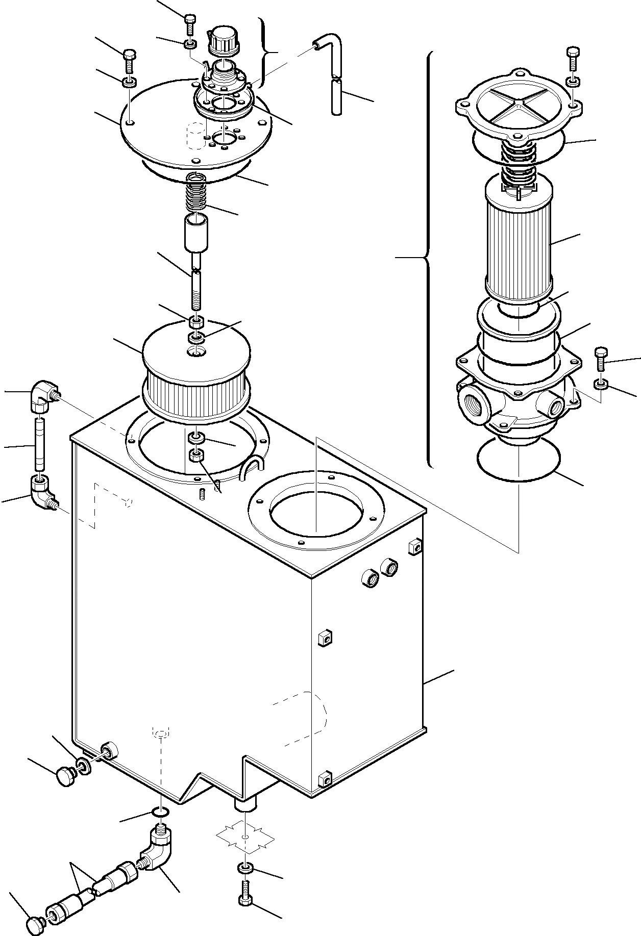
Запчасти Komatsu PC95R-2 ГИДР. БАК. УПРАВЛ-Е РАБОЧИМ ОБОРУДОВАНИЕМ

Схема запчастей Komatsu PC95R-2 - ГИДР. БАК. УПРАВЛ-Е РАБОЧИМ ОБОРУДОВАНИЕМ
20
15
21
19
16
18
13
17
24
14
12
23
11
22
26
8
3
25
10
27
6
28
7
9
24
6
8
1
5
4
30
31
3
32
29
2
FIT
1:1
100%

Артикул

Название

Примечание

Количество

1

21D-60-11112

HYDRAULIC TANK

2

01010-51230

BOLT

3

01643-31232

WASHER

4

21D-09-54740

PLUG

5

21D-09-86210

GASKET

6

22E-60-11120

ELBOW

7

22E-60-11130

PIPE

8

21D-09-21460

NUT

9

21D-09-86220

GASKET

10

226-60-11120

INTAKE OIL FILTER

11

22E-60-11150

FILTER ROD

12

21D-09-86650

SPRING

13

21D-60-11260

FLANGE

14

21D-60-11270

O-RING

15

01010-51025

BOLT

16

01643-31032

SPRING WASHER

17

22E-60-11170

TANK

18

21D-03-11280

HOSE

19

22E-60-11180

OIL PLUG, ASSY.

20

BOLT

21

WASHER

22

22E-60-11202

FILTER

23

22E-60-11211

CARTRIDGE

\23

22E-60-11250

KIT, GASKET

24

O-RING

25

O-RING

26

O-RING

27

01010-51025

BOLT

28

01643-31032

SPRING WASHER

29

21D-09-51700

ELBOW

30

21D-09-69970

O-RING

31

21D-09-98740

HOSE

32

20M-973-R121

PLUG

Выбрано товаров: 33