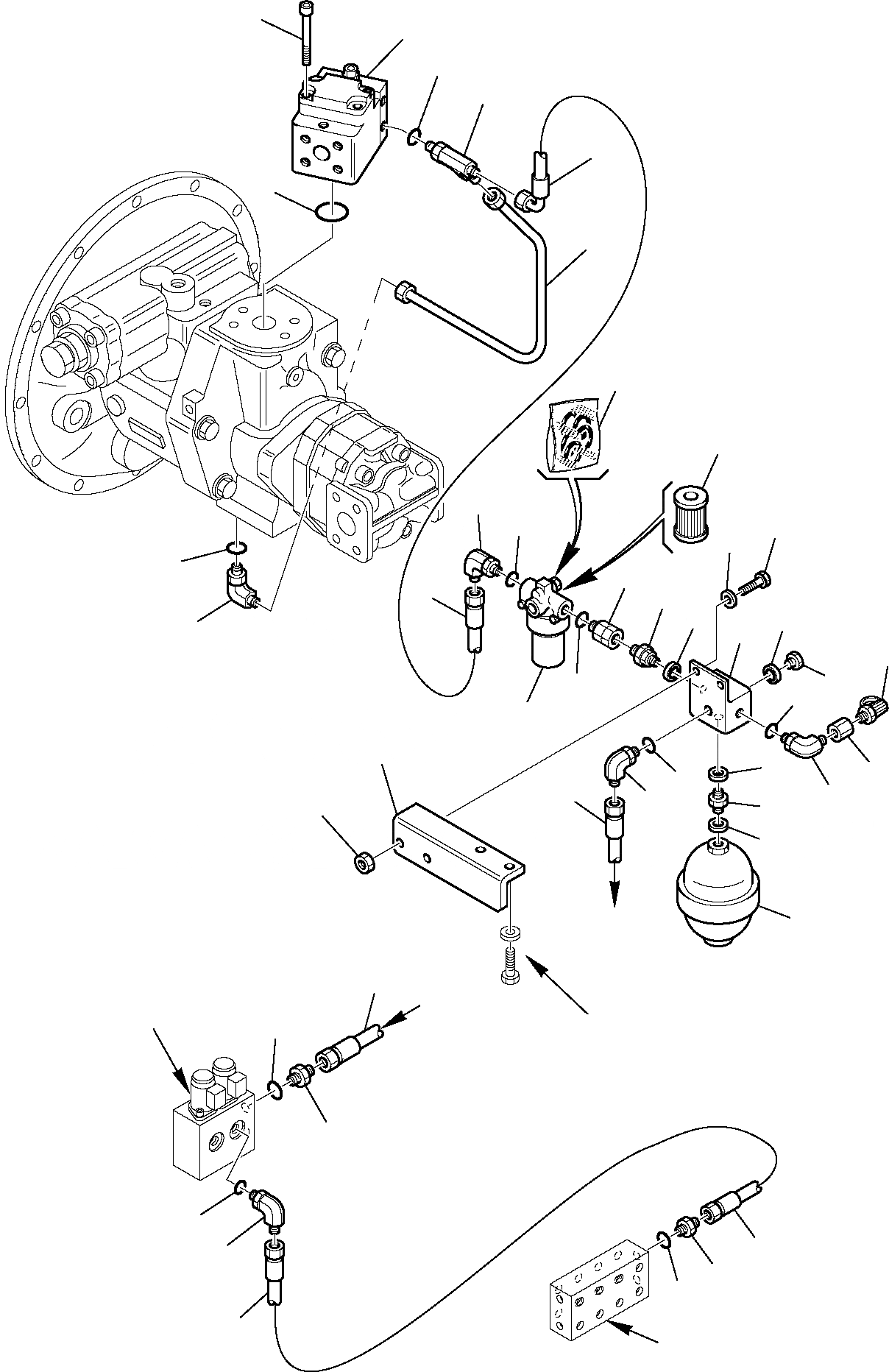
Запчасти Komatsu PC95R-2 ГИДРОЛИНИЯ (КЛАПАН PPCЛИНИЯ ПОДАЧИ) УПРАВЛ-Е РАБОЧИМ ОБОРУДОВАНИЕМ

Схема запчастей Komatsu PC95R-2 - ГИДРОЛИНИЯ (КЛАПАН PPCЛИНИЯ ПОДАЧИ) УПРАВЛ-Е РАБОЧИМ ОБОРУДОВАНИЕМ
2
1
5
4
9
3
6
14
13
10
11
20
21
8
15
9
17
18
18
7
19
32
24
16
30
12
22
25
31
34
35
29
33
23
26
27
28
35
38
37
34
36
33
37
38
36
A
B
C
a
a
FIT
1:1
100%

Артикул

Название

Примечание

Количество

1

702-21-09192

SERVOCONTROL FEED UNIT, ASSY.

2

01253-41020

SCREW

3

21D-09-69620

O-RING

4

22E-09-11910

TEE

5

21D-09-69960

O-RING

6

226-62-11360

PIPE

7

22E-09-11610

ELBOW

8

21D-09-69960

O-RING

9

226-09-11170

HOSE

10

21D-09-51640

ELBOW

11

21D-09-69970

O-RING

12

21D-60-11170

FILTER, ASSY.

13

21D-60-11220

CARTRIDGE

14

21D-60-11250

KIT, GASKET

15

22E-62-12230

UNION

16

21D-09-69970

O-RING

17

22E-62-12220

VALVE

18

21D-09-86280

GASKET

19

22E-62-12210

BLOCK

20

01010-50820

BOLT

21

01643-30823

SPRING WASHER

22

21D-62-11411

SUPPORT

23

21D-09-21440

NUT

24

21D-09-54730

PLUG

25

21D-09-73190

GASKET

26

21D-09-61560

UNION

27

21D-09-73200

GASKET

28

21D-60-17310

ACCUMULATOR

29

21D-09-51620

ELBOW

30

21D-09-69960

O-RING

31

21D-09-59130

REDUCTION

32

21D-09-54900

PRESSURE TAKE-UP

33

21D-09-51630

ELBOW

34

21D-09-69910

O-RING

35

21D-09-97370

HOSE

36

21D-09-97310

HOSE

37

21D-09-51190

UNION

38

21D-09-69910

O-RING

Выбрано товаров: 38