Запчасти Komatsu PC95R-2 СТАРТЕР ДВИГАТЕЛЬ

Схема запчастей Komatsu PC95R-2 - СТАРТЕР ДВИГАТЕЛЬ
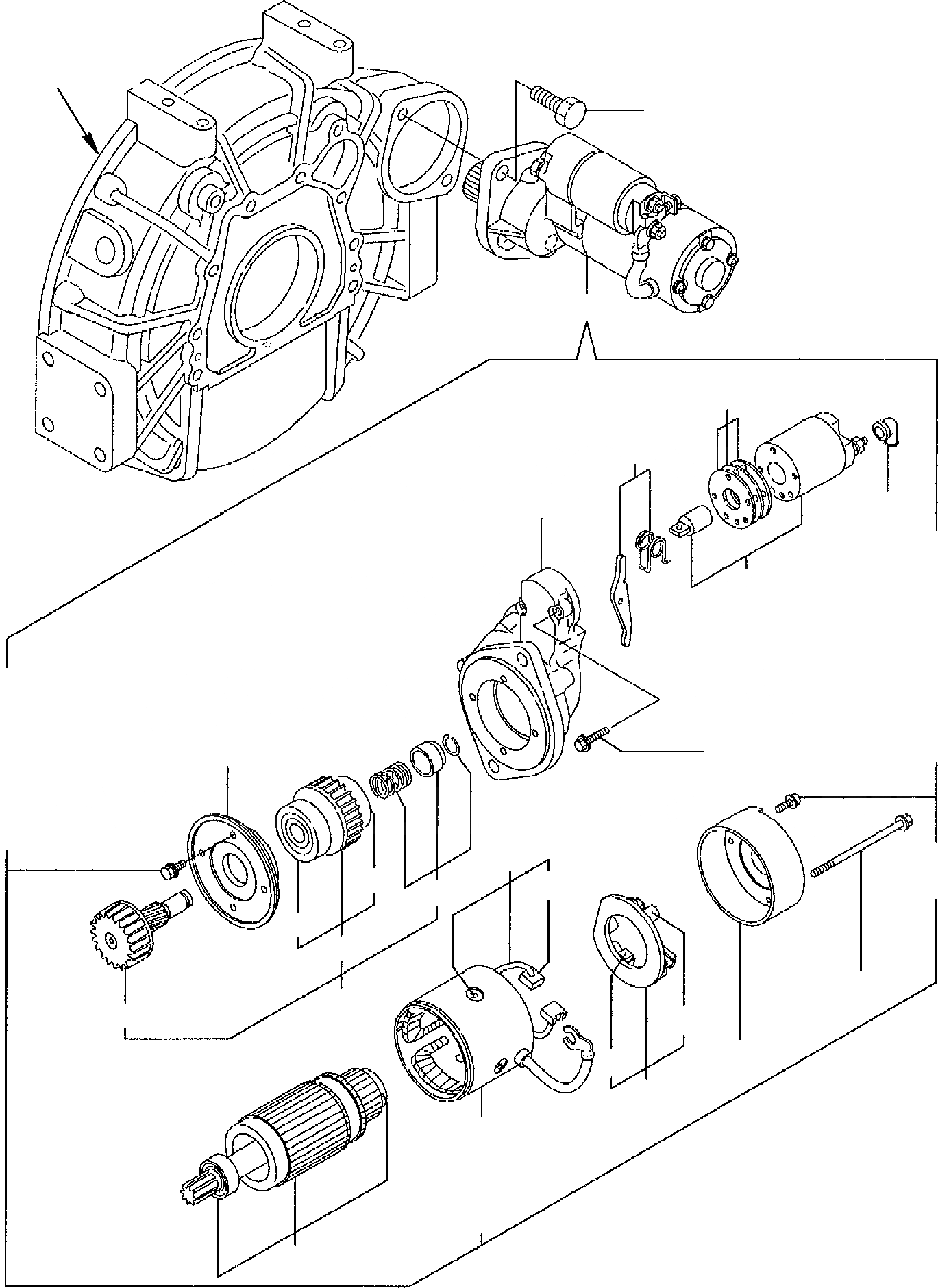
26
1
23
21
25
24
19
20
5
13
6
15
13
12
22
11
14
10
7
9
8
2
A
FIT
1:1
100%

Артикул

Название

Примечание

Количество

\0

21D-01-00020

ENGINE, ASSY.

1

YM123900-77010

STARTER MOTOR

2

YM123900-77400

ROTOR,ASSY.

5

YM123900-77440

COIL ASSY.,FIELD

6

YM123900-77450

BRUSH (+)

7

YM123900-77460

COVER, REAR

8

YM123900-77480

BRUSH HOLDER, ASSY.

9

YM123900-77450

BRUSH (+)

10

YM121254-77590

SPRING

11

YM123900-77510

PINION, ASSY.

12

YM123900-77520

CLUTCH, ASSY.

13

YMX2240610100

BEARING

14

YM123900-77540

SHAFT

15

YM119131-77550

STOPPER KIT

19

YM129900-77591

SWITCH, MAGNETIC

20

YM123900-77610

RETAINER

21

YM129900-77620

LEVEL SET

22

YM123900-77640

BOLT

23

YM123900-77650

PAN ASSY., DUST

24

YM123900-77710

HOUSING

25

YM171008-77750

COVER

26

YM26116-120302

BOLT

Выбрано товаров: 0