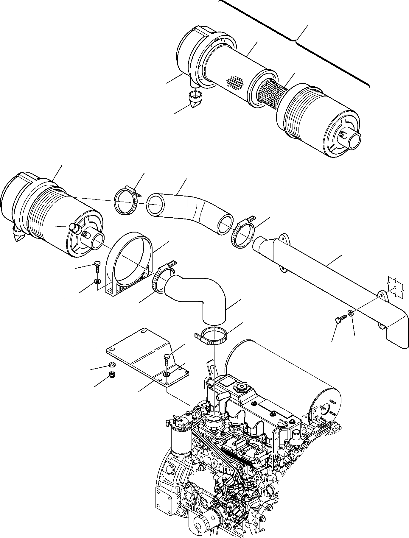
/ / / / / / ВОЗДУХООЧИСТИТЕЛЬ И КРЕПЛЕНИЕ
Запчасти Komatsu PC95R-2 ВОЗДУХООЧИСТИТЕЛЬ И КРЕПЛЕНИЕ КОМПОНЕНТЫ ДВИГАТЕЛЯ И ЭЛЕКТРИКА
4
6
7
8
5
4
15
14
15
9
10
16
11
13
18
15
19
3
2
17
3
13
12
1
1
21D-02-11220
SUPPORT
2
01010-51025
BOLT
3
01643-31032
WASHER
4
226-02-11101
AIR FILTER, ASSY.
5
226-02-11151
VALVE
6
226-02-11111
CARTRIDGE
7
226-02-11121
CARTRIDGE, SAFETY
8
226-02-11141
COVER
9
21D-06-13120
CLOGGING INDICATOR
10
21D-02-11230
COLLAR
11
01016-50840
BOLT
12
21D-09-24180
NUT
13
01643-30823
SPRING WASHER
14
21D-02-11240
SLEEVE
15
21D-09-81500
HOSE-CLAMP
16
226-02-11321
PIPE
17
01016-51040
BOLT
18
21D-02-11250
SLEEVE
19
21D-09-81940
HOSE-CLAMP
Выбрано товаров: 0