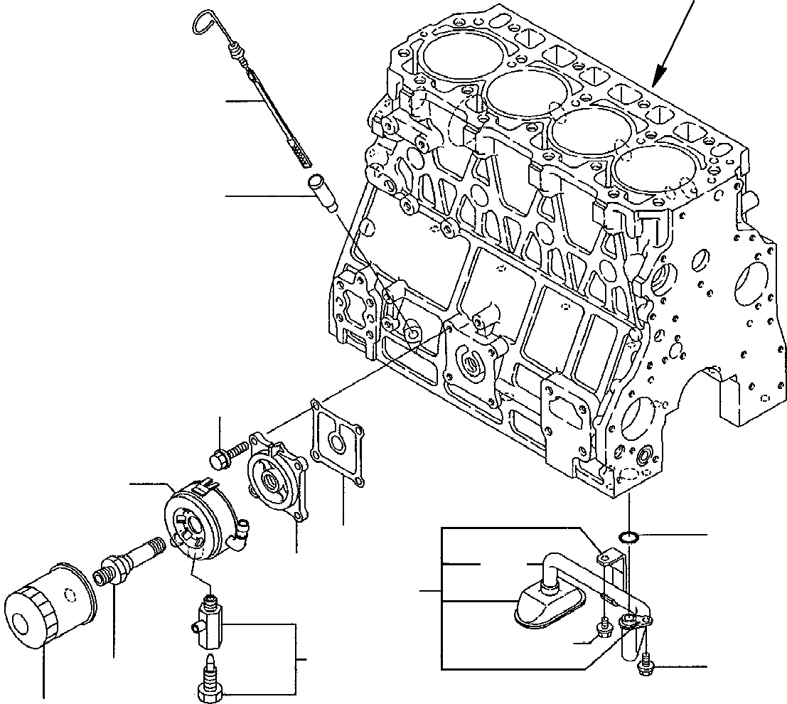
Запчасти Komatsu PC95R-2 USA СИСТЕМА СМАЗКИ МАСЛ. СИСТЕМА (/) ДВИГАТЕЛЬ

Схема запчастей Komatsu PC95R-2 USA - СИСТЕМА СМАЗКИ МАСЛ. СИСТЕМА (/) ДВИГАТЕЛЬ
A
6
7
5
1
14
3
2
9
15
17
16
4
8
FIT
1:1
100%

Артикул

Название

Примечание

Количество

\0

21D-01-00020

ENGINE, ASSY.

1

YM123912-33011

EXCHANGER

2

YM123912-33040

SUPPORT

3

YM123900-33060

GASKET

4

YM123912-33100

BOLT

5

YM26106-080202

BOLT

6

YM123900-34800

GAUGE, OIL LEVEL

7

YM121520-34810

GUIDE

8

YM119005-35100

FILTER

9

YM123900-35000

PIPE

14

YM24314-000180

O-RING

15

YM26106-080122

BOLT PLATED

16

YM26106-080162

BOLT

17

YM119620-49290

COCK

Выбрано товаров: 14