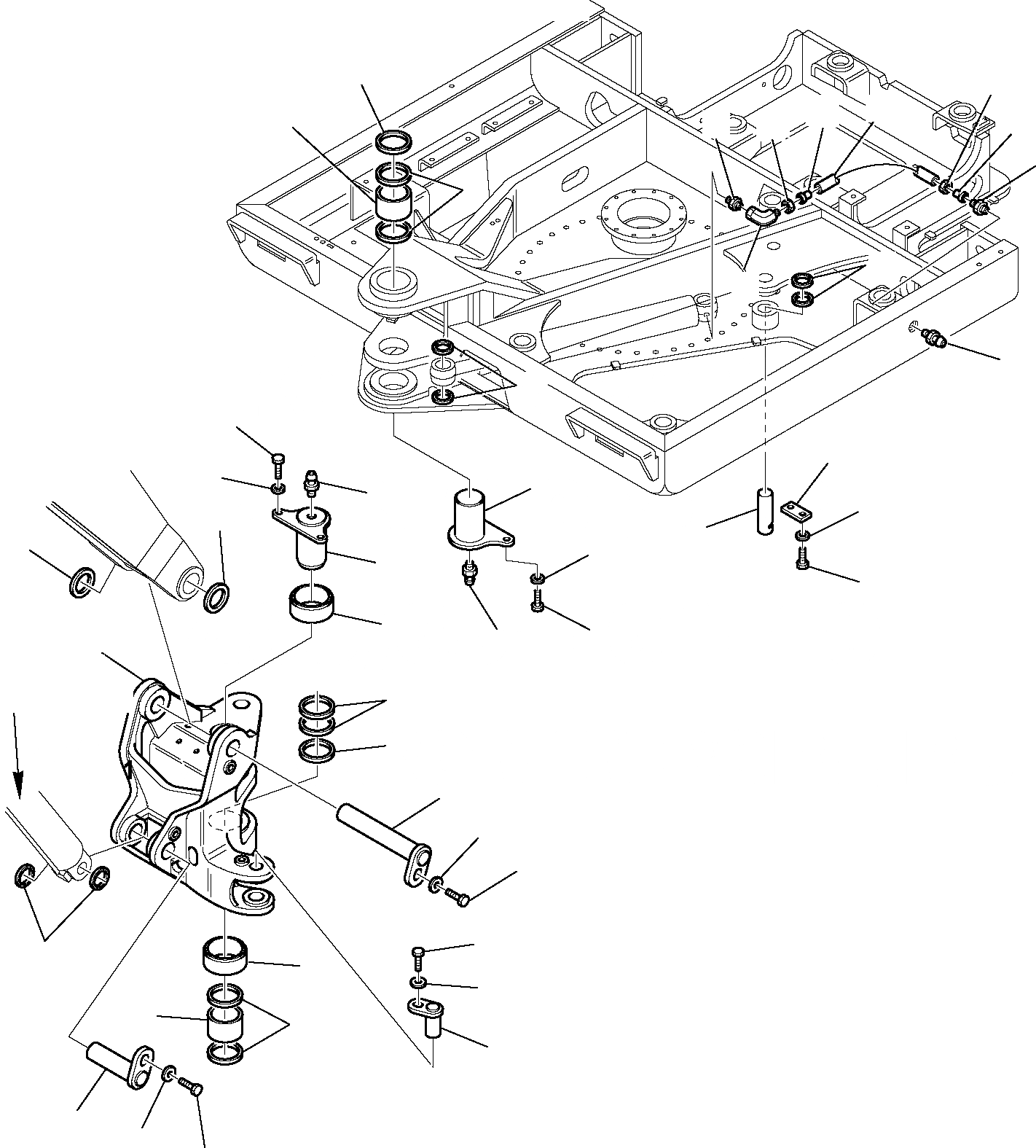
Запчасти Komatsu PC95R-2 USA ПОВОРОТН. БЛОК РАБОЧЕЕ ОБОРУДОВАНИЕ

Схема запчастей Komatsu PC95R-2 USA - ПОВОРОТН. БЛОК РАБОЧЕЕ ОБОРУДОВАНИЕ
7
28
29
27
4
26
26
5
20
30
21
20
9
23
10
8
11
25
19
22
19
10
8
24
2
9
11
1
6
7
18
14
13
17
15
3
14
4
5
16
12
14
13
28
27
A
FIT
1:1
100%

Артикул

Название

Примечание

Количество

1

21D-70-14112

BRACKET, ASSY.

2

21D-70-14180

BUSHING

3

21D-70-14190

BUSHING

4

21D-09-31110

BUSHING

5

21D-09-67130

GASKET

6

21D-09-39140

SHIM

7

21D-09-39130

SHIM

8

21D-70-14131

PIN

9

01010-51640

BOLT

10

21D-09-74540

SPRING WASHER

11

21D-70-14160

FITTING

12

21D-70-14210

PIN

13

01010-51225

BOLT

14

01643-31232

WASHER

15

21D-09-39120

SHIM

16

21D-09-43120

PIN

17

01010-51250

BOLT

18

21D-70-14220

PIN

19

21D-09-39110

SHIM

20

201-70-23140

SPACER (1 mm)

21

21D-09-89140

FITTING

22

21D-09-44110

PIN

23

21D-70-14150

PLATE

24

01010-51030

BOLT

25

01643-31032

WASHER

26

22E-46-11350

UNION

27

21D-04-11450

COTTER

28

22E-46-11360

UNION

29

22E-46-11380

HOSE

30

22E-46-11370

ELBOW

Выбрано товаров: 30