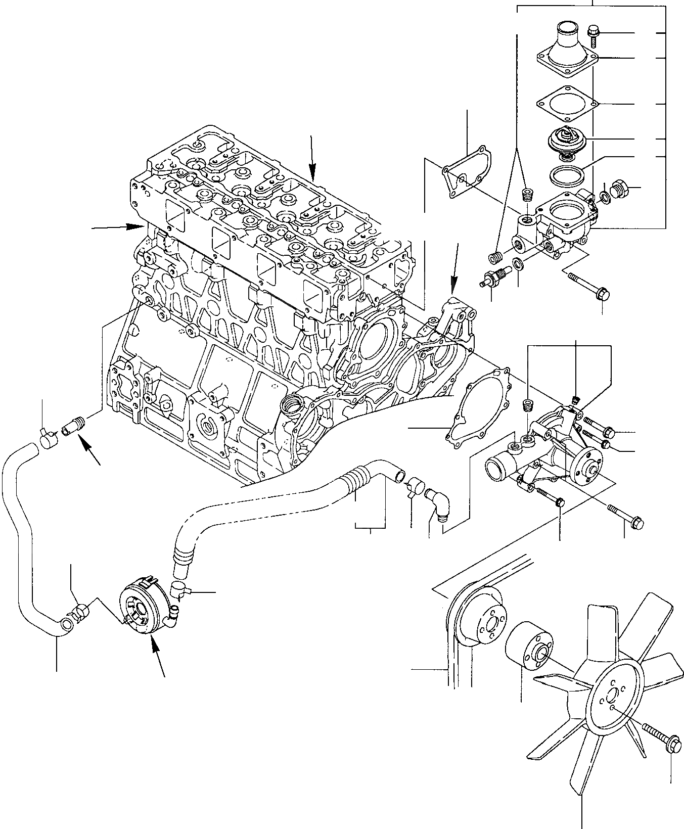
Запчасти Komatsu PC95R-2 USA СИСТЕМА ОХЛАЖДЕНИЯ ДВИГАТЕЛЬ

Схема запчастей Komatsu PC95R-2 USA - СИСТЕМА ОХЛАЖДЕНИЯ ДВИГАТЕЛЬ
18
24
25
21
26
20
19
22
35
36
35
34
27
2
33
10
12
11
32
33
30
1
11
28
33
33
14
29
13
16
17
15
A
B
B
C
D
FIT
1:1
100%

Артикул

Название

Примечание

Количество

\0

21D-01-00021

ENGINE, ASSY.

1

YM129466-49300

ELBOW

2

YM123900-42000

WATER PUMP, ASSY.

10

YM123900-42050

GASKET

11

YM26106-060502

BOLT

12

YM26106-080552

BOLT

13

YM123900-42450

PULLEY

14

YM123900-42480

V-BELT

15

YM123900-44731

FAN

16

YM123910-44771

SPACER

17

YM26106-100702

BOLT

18

YM123911-49800

THERMOSTAT, ASSY.

19

YM123911-48620

THERMOSTAT

20

YM124610-49291

GASKET

21

YM123962-49500

COVER

22

YM123500-49550

GASKET

24

YM23876-030000

PLUG

25

YM26106-080252

SCREW

26

YM123900-49820

GASKET

27

YM26106-080602

BOLT

28

YM26106-080702

BOLT

29

YM123812-49031

PIPE

30

YM119642-49050

PIPE, ASSY.

32

YM119265-49090

PROTECTION

33

YM23000-025000

COLLAR

34

YM121250-44901

WATER TEMPERATURE TRANSMITTER (ALARM)

35

YM124465-44950

GASKET

36

YM121450-42450

PLUG

Выбрано товаров: 28