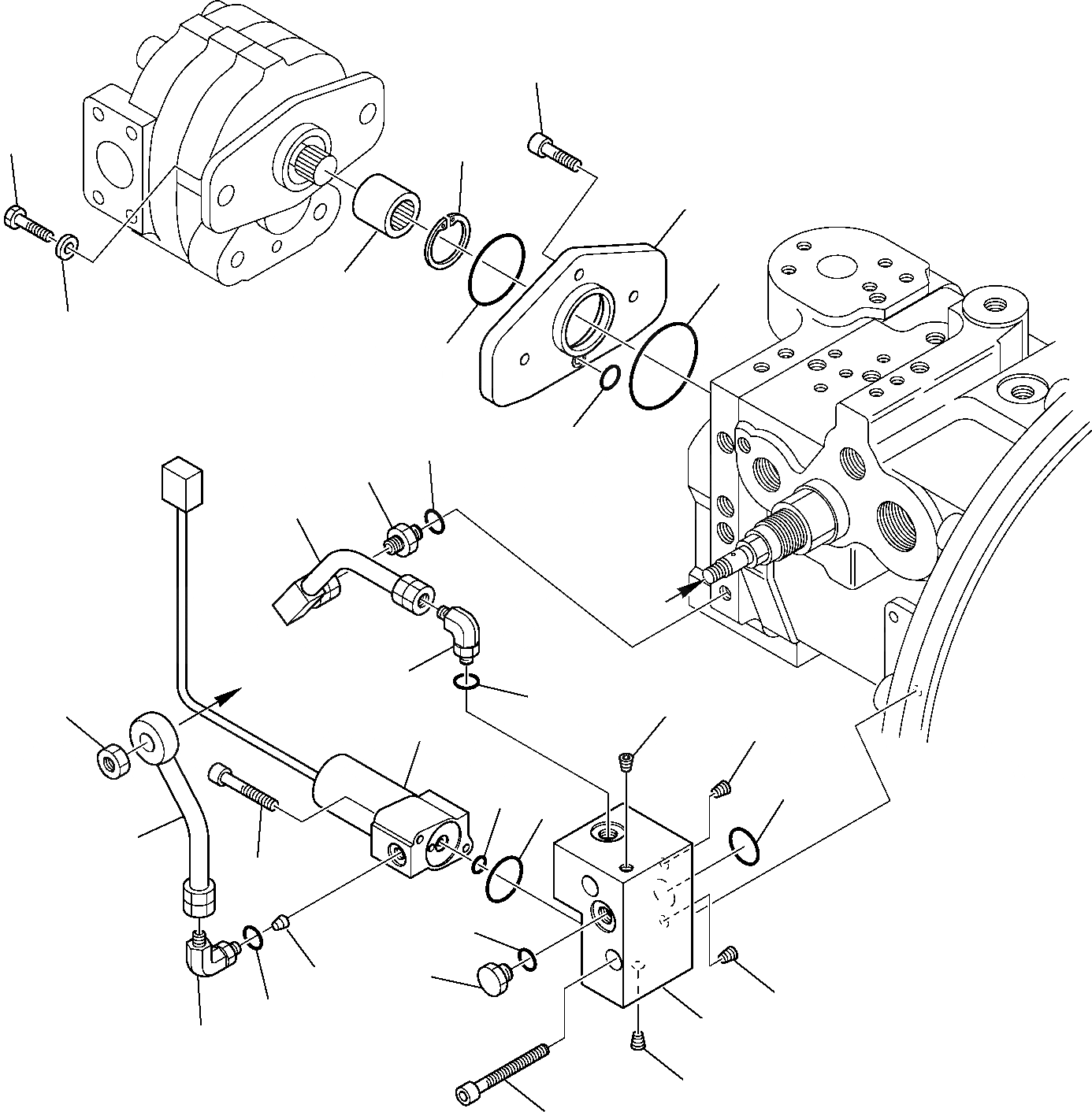
Запчасти Komatsu PC95R-2 USA ГИДР. НАСОС. (8/9) УПРАВЛ-Е РАБОЧИМ ОБОРУДОВАНИЕМ

Схема запчастей Komatsu PC95R-2 USA - ГИДР. НАСОС. (8/9) УПРАВЛ-Е РАБОЧИМ ОБОРУДОВАНИЕМ
9
1
8
4
5
7
2
3
6
21
20
23
18
19
12
22
10
12
13
26
25
24
17
15
14
29
12
28
11
27
12
16
a
a
FIT
1:1
100%

Артикул

Название

Примечание

Количество

\0

708-1L-00640

PUMP, ASSY.

1

01010-81235

BOLT

2

01643-31232

WASHER

3

07000-02060

O-RING

4

708-1L-29130

PLATE

5

07000-02070

O-RING

6

07000-02018

O-RING

7

708-1W-28150

JOINT

8

04065-02012

RING, SNAP

9

01252-61025

SCREW

10

702-21-07010

SOLENOID VALVE, ASSY.

\10

708-2L-04280

BLOCK, ASSY.

11

BLOCK

12

PLUG

13

708-2L-23970

O-RING

14

07040-11007

PLUG

15

708-2L-23920

O-RING

16

01252-60865

SCREW

17

203-60-62220

SCREW

18

07235-10210

ELBOW

19

708-2L-23950

O-RING

20

07230-20210

UNION

21

708-2L-23950

O-RING

22

01582-11008

NUT

23

708-1L-29310

PIPE

24

708-2L-29410

PIPE

25

708-2L-23960

O-RING

26

07000-B2011

O-RING

27

708-1L-29330

ELBOW

28

708-2L-23950

O-RING

29

708-1L-29340

ORIFICE

Выбрано товаров: 31