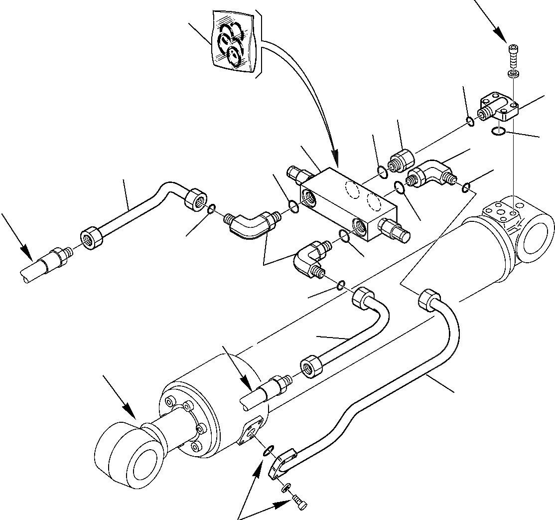
Запчасти Komatsu PC95R-2 USA ГИДРОЛИНИЯ (ЦИЛИНДР КОВША) (КЛАПАН БЕЗОПАСНОСТИ) УПРАВЛ-Е РАБОЧИМ ОБОРУДОВАНИЕМ

Схема запчастей Komatsu PC95R-2 USA - ГИДРОЛИНИЯ (ЦИЛИНДР КОВША) (КЛАПАН БЕЗОПАСНОСТИ) УПРАВЛ-Е РАБОЧИМ ОБОРУДОВАНИЕМ
2
6
5
3
4
1
10
9
13
11
12
3
5
4
4
5
7
8
A
A
B
B
B
FIT
1:1
100%

Артикул

Название

Примечание

Количество

1

21D-60-17241

VALVE, ASSY.

2

21D-60-17251

KIT, GASKET

3

226-09-12130

ELBOW

4

21D-09-69970

O-RING

5

21D-09-69660

O-RING

6

226-62-12260

PIPE

6

226-62-12261

PIPE

7

226-62-12270

PIPE

7

226-62-12271

PIPE

8

226-62-12280

PIPE

8

226-62-12281

PIPE

9

22E-62-12750

UNION

10

21D-09-69970

O-RING

11

22E-62-12790

FLANGE

12

21D-09-69870

O-RING

13

21D-09-69660

O-RING

Выбрано товаров: 16