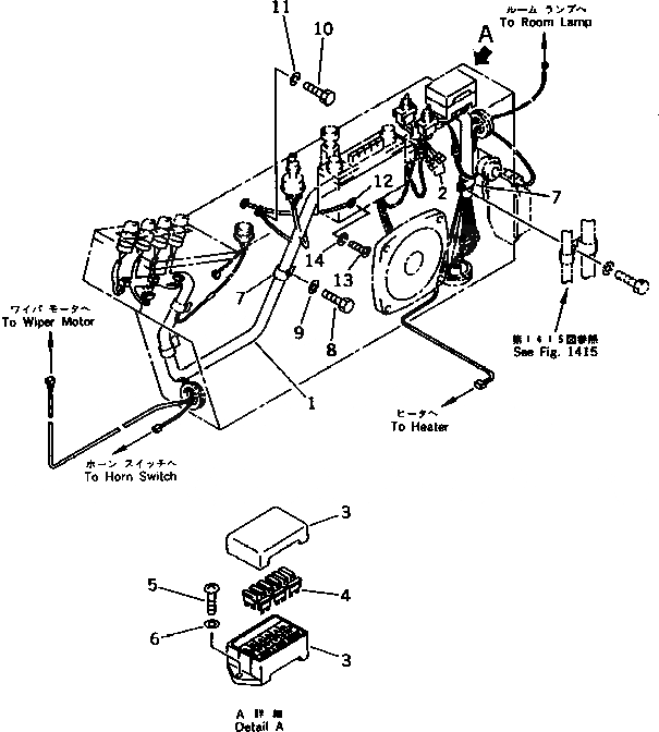
Запчасти Komatsu PF3-1 ПАНЕЛЬ ПРИБОРОВ (/) КОМПОНЕНТЫ ДВИГАТЕЛЯ И ЭЛЕКТРИКА

Схема запчастей Komatsu PF3-1 - ПАНЕЛЬ ПРИБОРОВ (/) КОМПОНЕНТЫ ДВИГАТЕЛЯ И ЭЛЕКТРИКА
FIT
1:1
100%

Артикул

Название

Примечание

Количество

1

203-06-41518

WIRE ASS'Y

2

22W-06-13590

DIODE

3

205-06-71480

BOX,FUSE

4

205-06-73180

FUSE¤ 15A

5

01220-40616

SCREW

6

01643-30623

WASHER

7

08036-01814

CLIP

8

01010-51016

BOLT

9

01602-21030

WASHER,SPRING

10

01010-50610

BOLT

11

01602-20619

WASHER,SPRING

12

08029-05630

WIRE

13

01220-40512

SCREW

14

01601-20513

WASHER,SPRING

Выбрано товаров: 14