Запчасти Komatsu PF3-1 ЭЛЕКТРИКА (ЭЛЕКТРОПРОВОДКА) (НАВЕСН. ОБОРУД) КОМПОНЕНТЫ ДВИГАТЕЛЯ И ЭЛЕКТРИКА

Схема запчастей Komatsu PF3-1 - ЭЛЕКТРИКА (ЭЛЕКТРОПРОВОДКА) (НАВЕСН. ОБОРУД) КОМПОНЕНТЫ ДВИГАТЕЛЯ И ЭЛЕКТРИКА
FIT
1:1
100%

Артикул

Название

Примечание

Количество

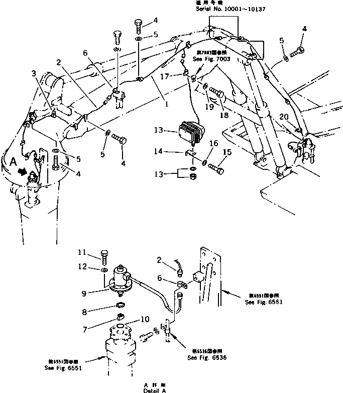
1

202-966-1530

WIRING HARNESS

2

202-966-1540

WIRING HARNESS

3

08036-01414

CLIP

|3

08036-01414

CLIP

4

01010-51220

BOLT

5

01643-31232

WASHER

6

195-06-41830

CLIP

7

142-43-13180

SPRING

8

04064-01610

RING,SNAP

9

7861-91-2700

SENSOR ASS'Y

10

07000-02055

O-RING

11

01010-50825

BOLT

12

01643-30823

WASHER

13

205-966-3850

WORK LAMP ASS'Y

|13

22W-06-12170

BULB¤ 24V

14

203-06-21290

PLATE

15

01010-51430

BOLT

16

01643-31445

WASHER

17

08036-10814

CLIP

18

01010-51225

BOLT

19

01643-31232

WASHER

20

08034-00414

BAND

Выбрано товаров: 22