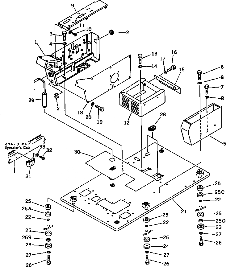
Запчасти Komatsu PF3-1 ОСНОВН. КОНСТРУКЦИЯ ОСНОВНАЯ РАМА И КАБИНА

Схема запчастей Komatsu PF3-1 - ОСНОВН. КОНСТРУКЦИЯ ОСНОВНАЯ РАМА И КАБИНА
FIT
1:1
100%

Артикул

Название

Примечание

Количество

1

202-966-4530

BOX,R.H.

2

08037-03614

GROMMET

3

01010-51025

BOLT

4

01643-31032

WASHER

5

203-54-41474

BOX,L.H.

6

01010-51020

BOLT

7

01010-51020

BOLT

|7

01010-51035

BOLT

8

01643-31032

WASHER

9

202-966-4550

PANEL

10

01220-40816

SCREW

11

01643-30823

WASHER

12

20X-54-23140

BRACKET

13

01010-51230

BOLT

14

01643-31232

WASHER

15

21K-54-25211

COVER

16

01010-51020

BOLT

17

01643-31032

WASHER

18

203-54-41512

COVER

19

01010-50816

BOLT

20

01643-30823

WASHER

21

202-966-4511

FRAME,FLOOR

22

07000-03025

O-RING

23

201-54-21860

COLLAR

24

205-54-51950

PLATE

25

203-54-21110

CUSHION

25A

202-966-4570

SPACER

25B

205-54-67440

SPACER¤ 3.2MM

25C

202-966-4580

SPACER

25D

205-54-67450

SPACER¤ 2.3MM

26

01010-51675

BOLT

27

01643-31645

WASHER

28

176-911-4160

GROMMET

29

203-54-41412

PIN

30

202-966-4521

MAT,FLOOR

31

201-54-23221

ASHTRAY

32

01370-00410

SCREW

33

01611-04045

WASHER

Выбрано товаров: 38