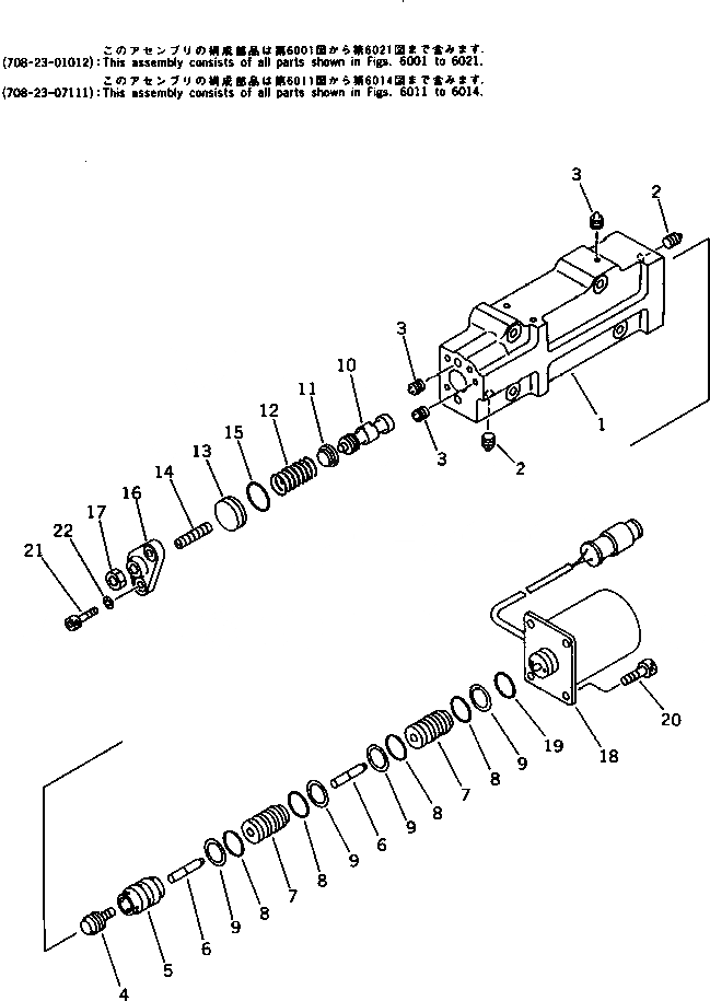
Запчасти Komatsu PF3-1 ГТР РЕГУЛИР. УПРАВЛЯЮЩ. КЛАПАН УПРАВЛ-Е РАБОЧИМ ОБОРУДОВАНИЕМ

Схема запчастей Komatsu PF3-1 - ГТР РЕГУЛИР. УПРАВЛЯЮЩ. КЛАПАН УПРАВЛ-Е РАБОЧИМ ОБОРУДОВАНИЕМ
FIT
1:1
100%

Артикул

Название

Примечание

Количество

|1

708-23-01012

PUMP ASS'Y,(HPV 55+55)

|1

708-23-07111

SERVO VALVE ASS'Y,FRONT

|1

708-23-07710

VALVE ASS'Y,T.V.C.

|1

708-23-07051

BODY ASS'Y

1

BODY

2

PLUG

3

EXPANDER

4

708-23-18120

PISTON

5

708-23-18130

SLEEVE

6

708-25-18120

PISTON

7

708-23-18150

SLEEVE

8

07000-12016

O-RING

9

07001-02016

RING,BACK-UP

10

708-23-18161

SPOOL

11

708-23-18170

SEAT

12

708-23-18181

SPRING

13

708-23-15160

PLUG

14

708-25-15340

SCREW

15

07000-02018

O-RING

16

708-23-18210

COVER

17

01580-10806

NUT

18

708-23-18221

SOLENOID ASS'Y

19

07000-02016

O-RING

20

708-23-18250

BOLT

21

708-25-15320

BOLT

22

01602-20619

WASHER,SPRING

Выбрано товаров: 0