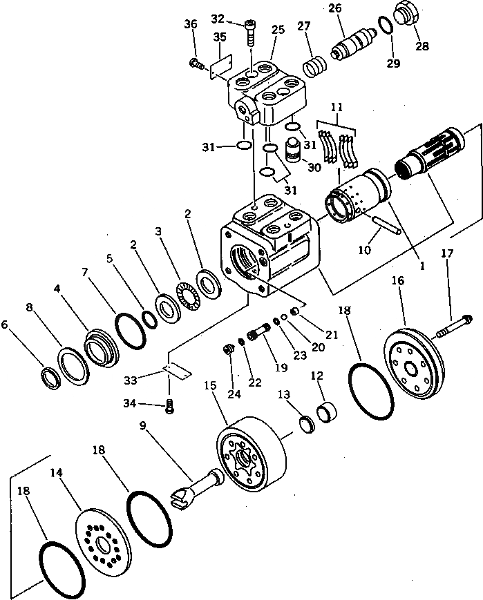
Запчасти Komatsu PF3W-1 КЛАПАН РУЛЕВОГО УПРАВЛЕНИЯ УПРАВЛ-Е РАБОЧИМ ОБОРУДОВАНИЕМ

Схема запчастей Komatsu PF3W-1 - КЛАПАН РУЛЕВОГО УПРАВЛЕНИЯ УПРАВЛ-Е РАБОЧИМ ОБОРУДОВАНИЕМ
FIT
1:1
100%

Артикул

Название

Примечание

Количество

|1

20D-60-41211

STEERING VALVE ASS'Y

1

ST8334-M1

HOUSING ASS'Y

2

ST8329

RACE

3

ST5544

BEARING

4

ST7443

BUSHING

5

ST20599

SEAL,OIL (KIT)

6

ST844

SEAL,DUST (KIT)

7

ST15074

O-RING (KIT)

8

ST14317

RING,RETAINING

9

ST5126

DRIVE

10

ST15

PIN

11

ST370

SPRING

12

ST6901-3

SPACER¤ 12.2MM

13

ST6901-9

SPACER¤ 3.6MM

14

ST7970

PLATE

15

ST8436-5

GEROTOR

16

ST8438S-1

CAP

17

ST5389-15

SCREW

18

ST5776

O-RING (KIT)

19

ST8318

SEAT,CHECK

20

ST18001

BALL

21

ST6862

RETAINER

22

ST15007

O-RING (KIT)

23

ST15006

O-RING (KIT)

24

ST14380

SCREW,SET

25

STA45034-6

HOUSING ASS'Y

26

STA45076

VALVE ASS'Y

27

STA45013-2

SPRING

28

STA45014

PLUG

39

STA40001-18

O-RING

30

STA45018-1

VALVE ASS'Y

31

STA40001-22

O-RING

32

STA45020

BOLT

33

ST9029S-2

PLATE,NAME

34

ST14334

SCREW

35

ST9029S-8

PLATE,NAME

36

ST45022

SCREW

37

ST64418

SERVICE KIT

|37

ST20599

SEAL,OIL

|37

ST844

SEAL,DUST

|37

ST15074

O-RING

|37

ST5776

O-RING

|37

ST15007

O-RING

|37

ST15006

O-RING

Выбрано товаров: 44