Запчасти Komatsu PF3W-1 ТОРМОЗНОЙ КЛАПАН УПРАВЛ-Е РАБОЧИМ ОБОРУДОВАНИЕМ

Схема запчастей Komatsu PF3W-1 - ТОРМОЗНОЙ КЛАПАН УПРАВЛ-Е РАБОЧИМ ОБОРУДОВАНИЕМ
FIT
1:1
100%

Артикул

Название

Примечание

Количество

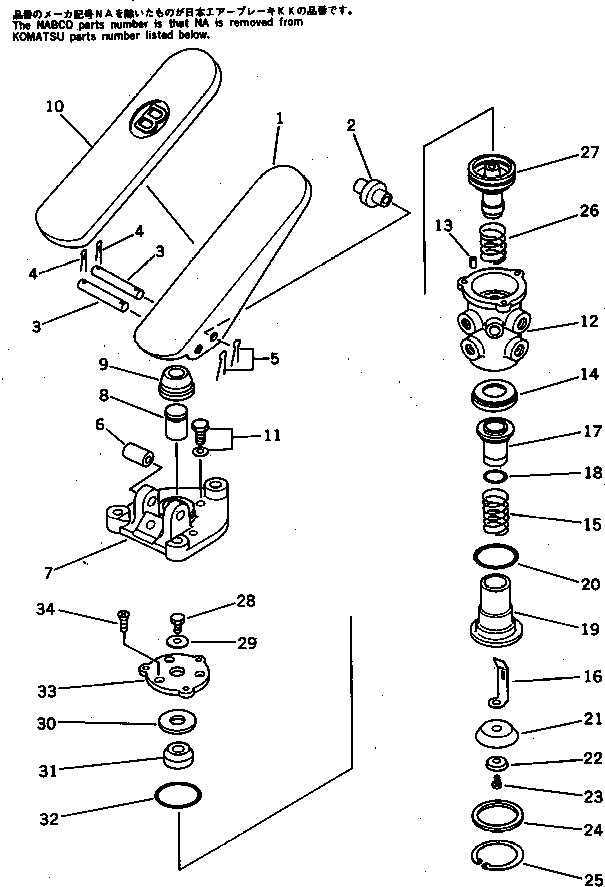
|1

20G-68-11131

BRAKE VALVE ASS'Y

|1

20G-68-18250

TREADLE ASS'Y

1

TREADLE

2

20G-68-19210

ROLLER

3

20G-68-19181

PIN

4

20G-68-19190

PIN,COTTER

5

PIN,COTTER

6

PIPE

7

20G-68-19130

PLATE

8

20G-68-19141

PLUNGER

9

BOOT,PLUNGER (KIT)

10

20G-68-19170

COVER

11

BOLT AND WASHER

|11

20G-68-19100

BASIC ASS'Y

12

BODY

13

FILTER,VENT (KIT)

|13

20G-68-18100

VALVE ASS'Y

14

RETAINER

15

SPRING,VALVE (KIT)

16

20G-68-18120

SPRING

17

VALVE

18

O-RING (KIT)

19

SEAT,EX (KIT)

20

O-RING (KIT)

21

DIAPHRAGM (KIT)

22

WASHER

23

20G-68-18170

SCREW AND WASHER

24

WASHER

25

20G-68-18180

RING,SNAP

26

SPRING (KIT)

|26

20G-68-19120

PISTON ASS'Y

27

PISTON

28

20G-68-18210

SCREW

29

WASHER

30

SEAT,SPRING

31

RUBBER (KIT)

32

O-RING (KIT)

33

O-RING

34

SCREW

35

20G-68-18240

REPAIR KIT,BRAKE VALVE

|35

BOOT,PLUNGER

|35

FILTER,VENT

|35

SPRING,VALVE

|35

VALVE

|35

O-RING

|35

O-RING

|35

DIAPHRAGM

|35

SPRING

|35

RUBBER

|35

O-RING

Выбрано товаров: 50