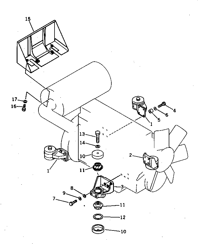
Запчасти Komatsu PF3W-1 КРЕПЛЕНИЕ ДВИГАТЕЛЯ КОМПОНЕНТЫ ДВИГАТЕЛЯ И ЭЛЕКТРИКА

Схема запчастей Komatsu PF3W-1 - КРЕПЛЕНИЕ ДВИГАТЕЛЯ КОМПОНЕНТЫ ДВИГАТЕЛЯ И ЭЛЕКТРИКА
FIT
1:1
100%

Артикул

Название

Примечание

Количество

1

203-01-42122

BRACKET

2

21K-01-22120

BRACKET

3

21K-01-22110

BRACKET

4

01010-51255

BOLT

5

6131-22-3750

BOSS

6

01643-31232

WASHER

7

01010-51050

BOLT

8

6631-11-5630

SPACER

9

01643-31032

WASHER

10

203-01-32110

STOPPER

11

113-01-41210

CUSHION

12

20S-71-11230

SHIM¤ 1.0MM

13

01011-51625

BOLT

14

01643-31645

WASHER

15

22C-01-11111

COVER

16

01010-51030

BOLT

17

01643-31032

WASHER

Выбрано товаров: 17