Запчасти Komatsu PF3W-1 ГИДРОЛИНИЯ (ДРЕНАЖН.)(№.-) ШАССИ¤ ТРАНСМИССИЯ¤ МОСТ¤ КОЛЕСА И ВОЗД. СИСТЕМА

Схема запчастей Komatsu PF3W-1 - ГИДРОЛИНИЯ (ДРЕНАЖН.)(№.-) ШАССИ¤ ТРАНСМИССИЯ¤ МОСТ¤ КОЛЕСА И ВОЗД. СИСТЕМА
FIT
1:1
100%

Артикул

Название

Примечание

Количество

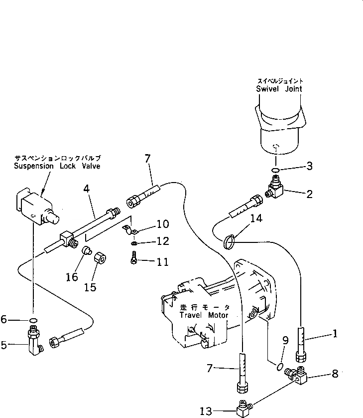
1

07102-20512

HOSE

2

22X-61-13840

ELBOW

3

07002-12034

O-RING

4

20D-62-44312

TUBE

5

20R-62-11511

ELBOW

6

07002-12034

O-RING

7

07102-20305

HOSE

8

20D-62-43250

ELBOW

9

07002-12434

O-RING

10

07282-11568

CLAMP

11

01010-50812

BOLT

12

01643-30823

WASHER

13

566-35-14350

ELBOW

14

08034-00519

BAND

15

07221-20315

NUT

16

07222-00312

PLUG

Выбрано товаров: 16