Запчасти Komatsu PF3W-1 РАБОЧЕЕ ОБОРУДОВАНИЕ ПЕДАЛЬ УПРАВЛ-Я И МЕХАНИЗМ (/) (ДЛЯ 2-Я СТРЕЛА) СИСТЕМА УПРАВЛЕНИЯ И ОСНОВНАЯ РАМА

Схема запчастей Komatsu PF3W-1 - РАБОЧЕЕ ОБОРУДОВАНИЕ ПЕДАЛЬ УПРАВЛ-Я И МЕХАНИЗМ (/) (ДЛЯ 2-Я СТРЕЛА) СИСТЕМА УПРАВЛЕНИЯ И ОСНОВНАЯ РАМА
FIT
1:1
100%

Артикул

Название

Примечание

Количество

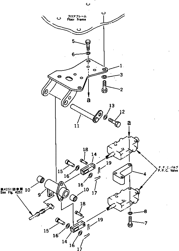
1

22C-43-11370

BRACKET

2

01010-51025

BOLT

3

01643-31032

WASHER

4

22C-43-11380

SEAT

5

01010-50850

BOLT

6

01643-30823

WASHER

7

01010-50845

BOLT

8

01643-30823

WASHER

9

22C-43-11350

LEVER

10

195-61-41260

BEARING

11

22C-43-11360

SHAFT

12

01010-51020

BOLT

13

01643-31032

WASHER

14

205-43-72741

YOKE

15

04205-11028

PIN

16

01641-21016

WASHER

17

04050-13020

PIN,COTTER

18

04205-10622

PIN

19

04050-11612

PIN,COTTER

Выбрано товаров: 0