Запчасти Komatsu PF3W-1 ГИДР. НАСОС.¤ ЗАДН. (/) (С OLSS) УПРАВЛ-Е РАБОЧИМ ОБОРУДОВАНИЕМ

Схема запчастей Komatsu PF3W-1 - ГИДР. НАСОС.¤ ЗАДН. (/) (С OLSS) УПРАВЛ-Е РАБОЧИМ ОБОРУДОВАНИЕМ
FIT
1:1
100%

Артикул

Название

Примечание

Количество

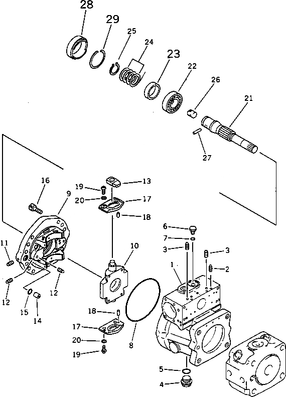
|1

708-23-01070

PUMP ASS'Y (HPV55+55)

|1

708-23-11101

PUMP SUB ASS'Y

|1

708-23-00350

CASE ASS'Y,REAR

1

CASE,REAR

2

PLUG

3

PLUG

4

07044-12412

PLUG

5

07002-02434

O-RING

6

720-68-19870

PLUG

7

07002-01223

O-RING

8

706-73-42370

O-RING

|9

708-23-00370

CRADLE ASS'Y

9

CRADLE,REAR

10

CAM,CAM

11

PLUG

12

PLUG

13

708-23-14120

SLIDER

14

708-23-12330

JOINT

15

07000-12015

O-RING

16

708-25-12350

BOLT

17

708-23-12340

PLATE

18

708-23-12370

PIN

19

708-23-12350

SCREW

20

01643-30823

WASHER

21

708-23-12720

SHAFT

22

708-23-12751

BEARING

23

708-23-12670

COLLAR

24

708-23-05010

WASHER KIT

|24

WASHER¤ 2.60MM

|24

WASHER¤ 2.70MM

|24

WASHER¤ 2.80MM

|24

WASHER¤ 2.90MM

25

708-23-12840

RING,SNAP

26

708-23-12930

COUPLING

27

708-23-12940

PIN

28

708-23-12650

RETAINER

29

708-23-12660

RING

Выбрано товаров: 37