Качественные детали и логистика
Оригинальные и аналоговые запчасти с доставкой по России, Казахстану и Беларуси
©2022 PartSell ООО "Система" ИНН 2463123282 ОГРН 1212400004838
Центральный офис: г. Красноярск, Академика Киренского, д.87, пом.4
Телефон: 8 (800) 777-65-74 Email: zakaz@partsell.ru
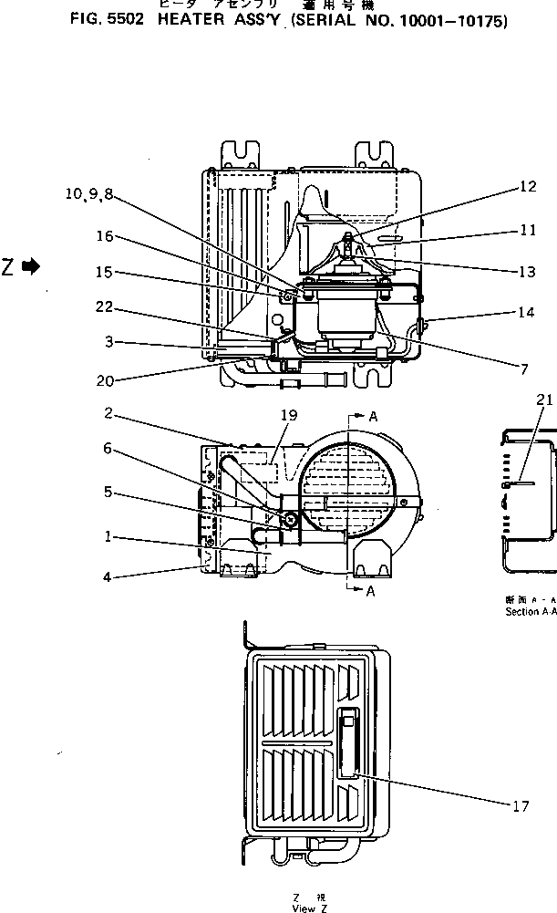
ОБОГРЕВАТЕЛЬ. В СБОРЕ(№-7)
№
Артикул
Название
Примечание
Количество
|1
205-977-7110
HEATER UNIT
1
ND116460-2562
CASE
2
ND116460-2572
3
ND116460-2841
RADIATOR
4
ND146371-3500
COVER
5
ND146681-7711
CLAMP
6
ND95170-06141
BOLT AND WASHER
7
ND062500-3731
MOTOR
8
ND949007-0240
SCREW AND WASHER
9
ND949194-0040
PLATE
10
ND949197-0180
RUBBER
11
ND116221-0460
BLOWER
12
ND949056-2230
NUT
13
ND949011-7650
WASHER
14
ND949321-2630
GROMMET
15
ND949001-1820
SCREW
16
ND146640-3461
17
ND146741-2170
18
ND146713-1372
PLATE¤ CAUTION,(NOT SHOWN)
19
ND116403-0620
20
ND146659-1350
PACKING
21
ND116253-0440
GUIDE
22
ND146820-2171
RESISTOR
Выбрано товаров: 0