Запчасти Komatsu PF5-1 АККУМУЛЯТОР КОМПОНЕНТЫ ДВИГАТЕЛЯ И ЭЛЕКТРИКА

Схема запчастей Komatsu PF5-1 - АККУМУЛЯТОР КОМПОНЕНТЫ ДВИГАТЕЛЯ И ЭЛЕКТРИКА
FIT
1:1
100%

Артикул

Название

Примечание

Количество

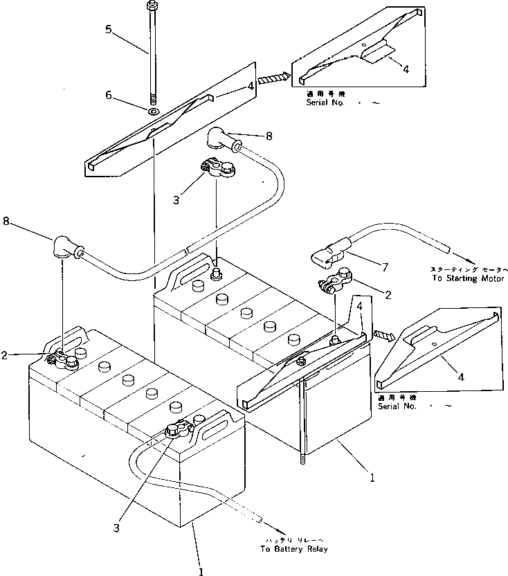
1

08000-32212

BATTERY (115E41R)

2

08000-00000

TERMINAL¤ (+)

3

08000-00001

TERMINAL¤ (-)

4

205-06-71173

HOLDER

5

205-06-71180

BOLT

6

01643-31232

WASHER

7

08038-22511

CAP

|7

08038-22009

CAP

8

08038-22009

CAP

Выбрано товаров: 9