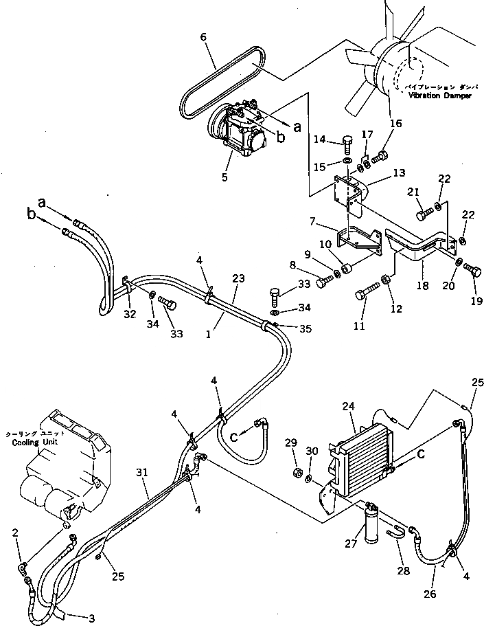
Запчасти Komatsu PF5-1 CAR ЛИНИЯ ОХЛАЖДЕНИЯ (/) ОПЦИОННЫЕ КОМПОНЕНТЫ

Схема запчастей Komatsu PF5-1 - CAR ЛИНИЯ ОХЛАЖДЕНИЯ (/) ОПЦИОННЫЕ КОМПОНЕНТЫ
FIT
1:1
100%

Артикул

Название

Примечание

Количество

1

205-978-7280

HOSE

2

205-981-5250

ELBOW

3

566-07-11450

TAPE

4

08034-00519

BAND

5

205-981-5130

COMPRESSOR ASS'Y

6

04120-21743

V-BELT

7

206-978-1111

BRACKET

8

01010-51045

BOLT

9

01643-31032

WASHER

10

195-01-14540

COLLAR

11

01016-50870

BOLT

12

01580-10806

NUT

13

206-978-1121

BRACKET

14

01010-51030

BOLT

15

01643-31032

WASHER

16

01010-50830

BOLT

17

01643-30823

WASHER

18

206-978-1141

BRACKET

19

01010-51030

BOLT

20

01643-31032

WASHER

21

01010-51640

BOLT

22

01643-31645

WASHER

23

09488-20636

HOSE

24

205-981-5120

CONDENSER UNIT

25

205-978-7260

WIRE ASS'Y

26

205-978-7270

HOSE

27

566-07-11240

RECEIVER

28

07283-26155

CLIP

29

01599-01011

NUT

30

01643-31032

WASHER

31

205-978-7240

HOSE

32

176-911-4180

CLIP

33

01010-51220

BOLT

34

01643-31232

WASHER

35

21T-06-11950

CLIP

Выбрано товаров: 35