Запчасти Komatsu PF5-1 ОСНОВНАЯ РАМА ОСНОВНАЯ РАМА И КАБИНА

Схема запчастей Komatsu PF5-1 - ОСНОВНАЯ РАМА ОСНОВНАЯ РАМА И КАБИНА
FIT
1:1
100%

Артикул

Название

Примечание

Количество

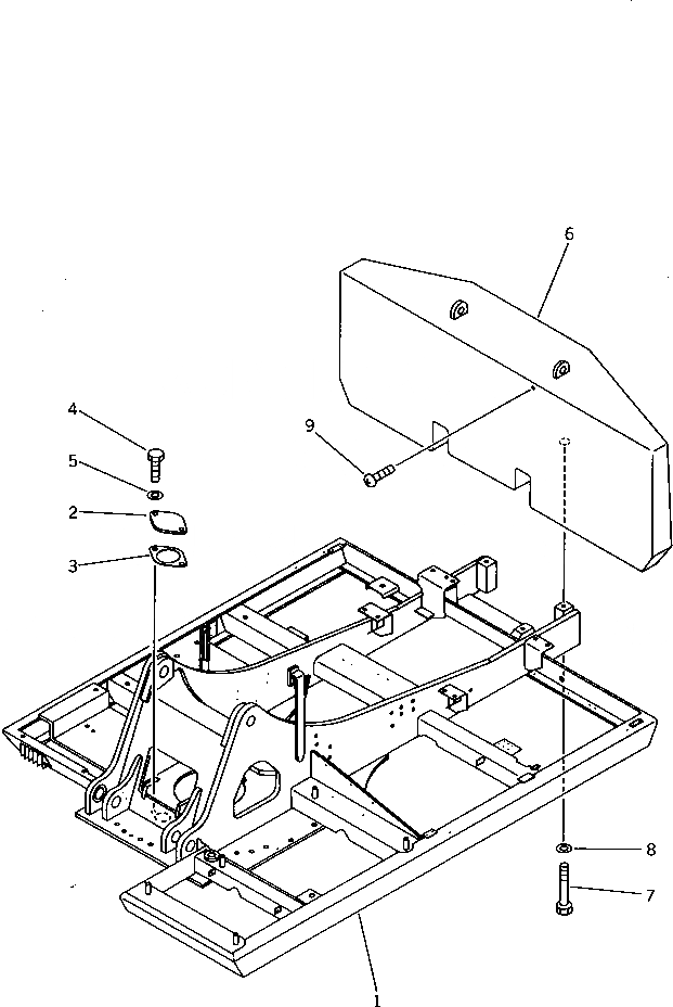
1

205-966-4681

FRAME,REVOLVING

|1

205-966-4680

FRAME,REVOLVING

2

205-30-71181

COVER

3

205-30-71191

GASKET

4

01010-51230

BOLT

5

01643-31232

WASHER

6

205-966-4911

WEIGHT,COUNTER

|6

205-966-4910

WEIGHT,COUNTER

|6

205-46-72112

WEIGHT,COUNTER

7

202-09-11110

BOLT

|7

203-09-21110

BOLT

8

01643-32460

WASHER

9

01370-00508

SCREW

Выбрано товаров: 13