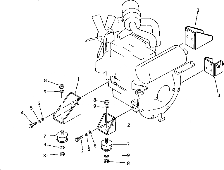
Запчасти Komatsu PW05-1 КРЕПЛЕНИЕ ДВИГАТЕЛЯ КОМПОНЕНТЫ ДВИГАТЕЛЯ И ЭЛЕКТРИКА

Схема запчастей Komatsu PW05-1 - КРЕПЛЕНИЕ ДВИГАТЕЛЯ КОМПОНЕНТЫ ДВИГАТЕЛЯ И ЭЛЕКТРИКА
FIT
1:1
100%

Артикул

Название

Примечание

Количество

1

20M-01-35581

BRACKET

2

20M-01-35531

BRACKET,L.H.

3

20M-01-35591

BRACKET,R.H.

4

01010-51025

BOLT

5

01602-21030

WASHER,SPRING

6

01643-31032

WASHER

7

20M-01-15540

CUSHION

8

01580-11210

NUT

9

01602-21236

WASHER,SPRING

Выбрано товаров: 9