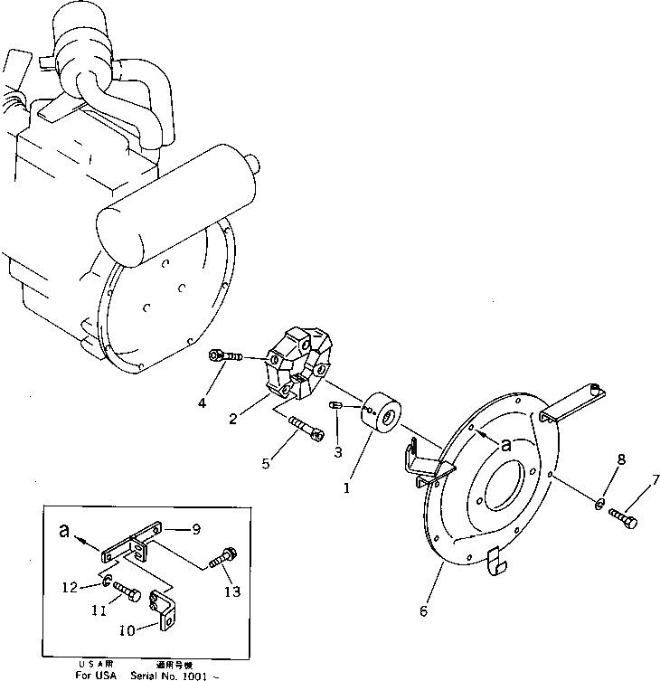
Запчасти Komatsu PW05-1 МЕХ-М ОТБОРА МОЩНОСТИ КОМПОНЕНТЫ ДВИГАТЕЛЯ И ЭЛЕКТРИКА

Схема запчастей Komatsu PW05-1 - МЕХ-М ОТБОРА МОЩНОСТИ КОМПОНЕНТЫ ДВИГАТЕЛЯ И ЭЛЕКТРИКА
FIT
1:1
100%

Артикул

Название

Примечание

Количество

1

20L-01-11221

BOSS

2

20R-01-11210

RUBBER

3

04025-00408

PIN,SPRING

4

20M-01-16630

BOLT

5

01252-41035

BOLT

6

20L-01-11310

COVER

7

01010-51020

BOLT

7

01010-51020

BOLT,(FOR USA)

8

01602-21030

WASHER,SPRING

8

01602-21030

WASHER,SPRING (FOR USA)

9

20L-06-16210

BRACKET,(FOR USA)

10

20L-06-16220

PLATE,(FOR USA)

11

01010-51025

BOLT,(FOR USA)

12

01602-21030

WASHER,SPRING (FOR USA)

13

01435-20820

BOLT,(FOR USA)

Выбрано товаров: 15