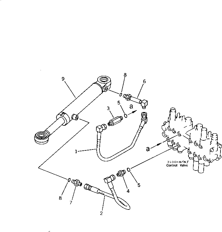
Запчасти Komatsu PW05-1 ГИДРОЛИНИЯ (ПОВОРОТН. ЛИНИЯ ЦИЛИНДРА) УПРАВЛ-Е РАБОЧИМ ОБОРУДОВАНИЕМ

Схема запчастей Komatsu PW05-1 - ГИДРОЛИНИЯ (ПОВОРОТН. ЛИНИЯ ЦИЛИНДРА) УПРАВЛ-Е РАБОЧИМ ОБОРУДОВАНИЕМ
FIT
1:1
100%

Артикул

Название

Примечание

Количество

1

20L-62-12540

HOSE

2

20L-62-12550

HOSE

3

20M-62-32742

NIPPLE

4

20M-62-32722

NIPPLE

5

07002-11823

O-RING

6

20M-62-32810

ELBOW

7

07230-10210

UNION

8

07002-11423

O-RING

9

707-00-50640

CYLINDER ASS'Y

Выбрано товаров: 9