Запчасти Komatsu PW05-1 МАРКИРОВКА (KE СПЕЦ-Я.) МАРКИРОВКА¤ ИНСТРУМЕНТ И РЕМКОМПЛЕКТЫ

Схема запчастей Komatsu PW05-1 - МАРКИРОВКА (KE СПЕЦ-Я.) МАРКИРОВКА¤ ИНСТРУМЕНТ И РЕМКОМПЛЕКТЫ
FIT
1:1
100%

Артикул

Название

Примечание

Количество

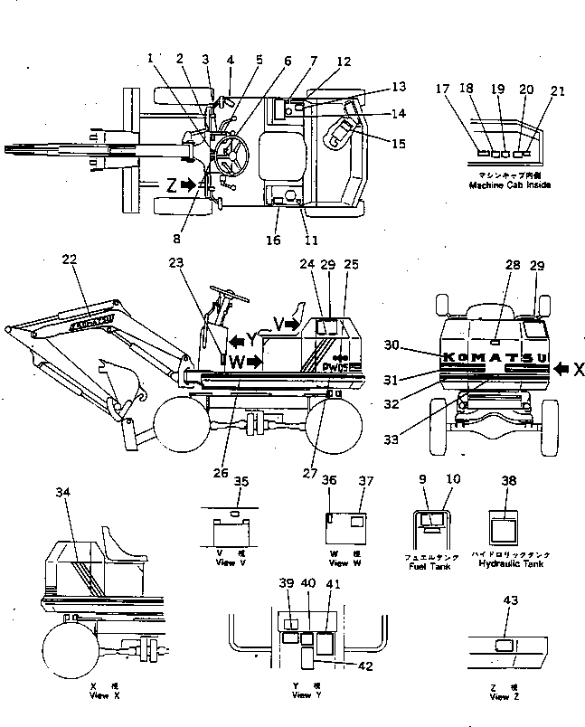
1

20L-98-17480

PLATE, NAME,HEATER SIGNAL

2

20M-98-39260

PLATE, NAME,WORK LAMP

3

362-54-17320

PLATE, OPERATING,ENGINE CONTROL

4

20L-98-17450

PLATE, NAME,F-R

4

04418-13060

SCREW

5

20L-98-11120

PLATE, OPERATING,SWING

6

09683-21060

PLATE, OPERATING,STARTING SWITCH

7

09669-00003

PLATE, CAUTION,HYDRAULIC TANK

8

20L-98-17490

PLATE, NAME,HST

9

09652-21101

PLATE, CAUTION,WATER DRAIN

10

09101-02000

PLATE, CAUTION,RECOMENDED FUEL OIL

11

09669-00002

PLATE, CAUTION,FUEL TANK

12

201-98-29340

PLATE, INSTRUCTION,HYDRAULIC OIL

13

09653-02000

PLATE, SAFETY,HYDRAULIC TANK

14

20L-98-17440

PLATE, OPERATING,WORK EQUIPMENT

15

20M-98-23120

PLATE, CAUTION,AIR FILTER

16

20L-98-17430

PLATE, CAUTION,PARKING LEVER

17

20N-98-39340

PLATE, CAUTION,AIR FILTER

18

201-98-29350

PLATE, CAUTION,HYDRAULIC FILTER

19

20S-98-12120

PLATE, CAUTION,FUEL FILTER

20

09650-21103

PLATE, INSTRUCTION,RADIATOR

21

09668-02000

PLATE, SAFETY,RADIATOR CAP

22

20M-98-32340

PLATE, MARK,KOMATSU

23

21E-98-11380

PLATE, OPERATING,SWING LOCK LEVER

24

20M-98-32350

PLATE, STRIPE

25

09694-50160

PLATE, MARK,SYMBOL

26

20L-98-11230

PLATE, STRIPE

27

20L-98-11210

PLATE, MARK,PW05

28

09667-03000

PLATE, SAFETY,ENGINE COVER

29

20T-98-22320

PLATE, SAFETY,KEEP OUT OF TURNING AREA

30

09690-50900

PLATE, MARK,KOMATSU

31

20L-98-11221

PLATE, STRIPE

32

20L-98-11240

PLATE, STRIPE

33

20L-98-11250

PLATE, STRIPE

34

20M-98-32320

PLATE, STRIPE

35

20M-98-21220

PLATE, CAUTION,BATTERY

36

20M-98-39310

PLATE, INSTRUCTION,BOOM SWING

37

362-98-12230

PLATE, CAUTION

38

20L-98-17470

CHART, OIL

39

20L-98-17460

PLATE, CAUTION,SWING LOCK PIN

40

21F-98-11250

PLATE, CAUTION,TRAVELING

41

20L-98-17420

PLATE, SAFETY,BEFORE OPERATING

42

09173-02000

PLATE, SAFETY,INSPECTION AND MAINTENANCE

43

09601-00835

PLATE, NAME,(LIMITED SUPPLY)

44

04418-13060

SCREW

Выбрано товаров: 0