Запчасти Komatsu PW05-1 МАРКИРОВКА (США СПЕЦ-Я.) МАРКИРОВКА¤ ИНСТРУМЕНТ И РЕМКОМПЛЕКТЫ

Схема запчастей Komatsu PW05-1 - МАРКИРОВКА (США СПЕЦ-Я.) МАРКИРОВКА¤ ИНСТРУМЕНТ И РЕМКОМПЛЕКТЫ
FIT
1:1
100%

Артикул

Название

Примечание

Количество

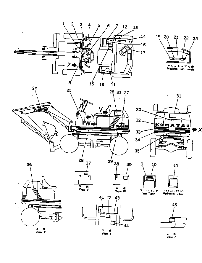
1

20L-98-17480

PLATE, NAME,HEATER SIGNAL

2

20M-98-37830

PLATE, NAME,WORK LAMP

3

362-54-17320

PLATE, OPERATING,ENGINE CONTROL

4

20L-98-17450

PLATE, NAME,F-R

4

04418-13060

SCREW

5

20L-98-11120

PLATE, OPERATING,SWING

6

09683-30060

PLATE, OPERATING,STARTING SWITCH

7

09669-00003

PLATE, CAUTION,HYDRAULIC TANK

8

20L-98-17490

PLATE, NAME,HST

9

09652-30101

PLATE, CAUTION,WATER DRAIN

10

09101-03000

PLATE, CAUTION,RECOMMENDED FUEL OIL

11

09669-00002

PLATE, CAUTION,FUEL TANK

12

20M-98-37120

PLATE, INSTRUCTION,HYDRAULIC OIL

13

09653-03000

PLATE, SAFETY,HYDRAULIC TANK

14

20L-98-17440

PLATE, OPERATING,WORK EQUIPMENT

15

205-00-65490

PLATE, CAUTION,ELECTRICAL

16

20L-98-17410

PLATE, CAUTION

17

20M-98-23120

PLATE, CAUTION,AIR FILTER

18

20L-98-17430

PLATE, CAUTION,PARKING LEVER

19

20N-98-39340

PLATE, CAUTION,AIR FILTER

20

20M-98-37130

PLATE, CAUTION,HYDRAULIC FILTER

21

20M-98-37110

PLATE, CAUTION,FUEL FILTER

22

09650-30103

PLATE, INSTRUCTION,RADIATOR

23

09668-03000

PLATE, SAFETY,RADIATOR CAP

24

20M-98-32340

PLATE, MARK,KOMATSU

25

21E-98-11380

PLATE, OPERATING,SWING LOCK LEVER

26

20M-98-32350

PLATE, STRIPE

27

09694-50160

PLATE, MARK,SYMBOL

28

20L-98-11230

PLATE, STRIPE

29

20L-98-11210

PLATE, MARK,PW05

30

09667-03000

PLATE, SAFETY,ENGINE COVER

31

20T-98-22320

PLATE, SAFETY,KEEP OUT OF TURNING AREA

32

09690-50900

PLATE, MARK,KOMATU

33

20L-98-11221

PLATE, STRIPE

34

20L-98-11240

PLATE, STRIPE

35

20L-98-11250

PLATE, STRIPE

36

20M-98-32320

PLATE, STRIPE

37

20M-98-21220

PLATE, CAUTION,BATTERY

38

20M-98-39310

PLATE, INSTRUCTION,BOOM SWING

39

362-98-12230

PLATE, CAUTION

40

20L-98-17470

CHART, OIL

41

20L-98-17460

PLATE, CAUTION,SWING LOCK PIN

42

21F-98-11250

PLATE, CAUTION,TRAVELING

43

20L-98-17420

PLATE, SAFETY,BEFORE OPERATING

44

09173-03000

PLATE, SAFETY,INSPECTION AND MAINTENANCE

45

09601-00835

PLATE, NAME,(LIMITED SUPPLY)

45

04418-13060

SCREW

Выбрано товаров: 47