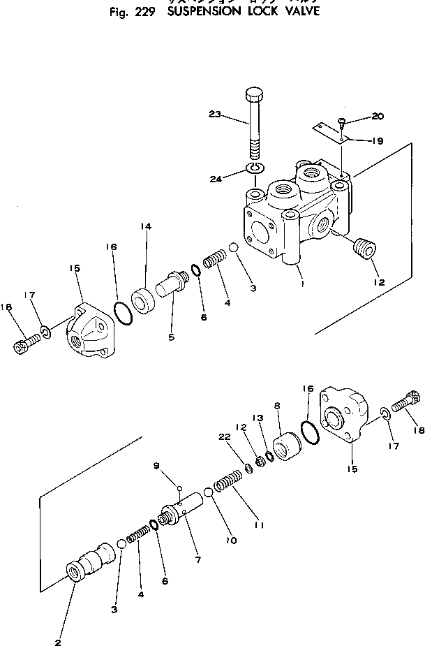
Запчасти Komatsu PW100-1 СТОПОРН. КЛАПАН ПОДВЕСКИ ХОД И ТРАНСМИССИЯ

Схема запчастей Komatsu PW100-1 - СТОПОРН. КЛАПАН ПОДВЕСКИ ХОД И ТРАНСМИССИЯ
FIT
1:1
100%

Артикул

Название

Примечание

Количество

|$0

20B-60-11800

VALVE ASS'Y

1

KB21401-20112

BODY

2

KB21401-20214

SPOOL

3

KB96311-09520

BALL,STEEL

4

KB21401-20704

SPRING,CHECK

5

KB21401-21204

PLUG

6

KB95113-01000

O-RING

7

KB21401-21203

PLUG

8

KB21401-21501

SLEEVE

9

KB96311-05550

BALL,STEEL

10

KB96311-07930

BALL,STEEL

11

KB21401-20705

SPRING,DETENT

12

KB21401-21601

HOLDER,SPRING

13

KB21401-20402

RING,STOP

14

KB21401-21901

COLLAR

15

KB21401-20507

COVER

16

KB95111-02000

O-RING

17

KB94101-08201

WASHER,SPRING

18

KB92601-08251

BOLT

19

KB21001-00533

PLATE

20

SCREW,DRIVE

21

KB97123-03111

PLUG

22

KB21401-21801

SHIM

23

01010-30870

BOLT

24

01602-00825

WASHER,SPRING

Выбрано товаров: 25