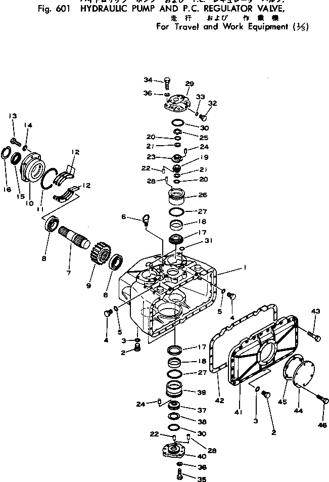
Запчасти Komatsu PW100-1 ГИДР. НАСОС. И P.C. РЕГУЛИР. КЛАПАН¤ ДЛЯ ХОД И РАБОЧ. ОБОРУД-Е (/) УПРАВЛ-Е РАБОЧИМ ОБОРУДОВАНИЕМ

Схема запчастей Komatsu PW100-1 - ГИДР. НАСОС. И P.C. РЕГУЛИР. КЛАПАН¤ ДЛЯ ХОД И РАБОЧ.   ОБОРУД-Е (/) УПРАВЛ-Е РАБОЧИМ ОБОРУДОВАНИЕМ
FIT
1:1
100%

Артикул

Название

Примечание

Количество

|$0

706-66-14201

PUMP ASS'Y

|$1

706-66-14200

PUMP ASS'Y

|$2

706-66-42001

PUMP SUB ASS'Y

|$3

706-66-42000

PUMP SUB ASS'Y

1

CASE,PUMP

2

07044-12412

PLUG

3

07002-02434

O-RING

4

07040-10807

PLUG

5

07002-10823

O-RING

6

04530-01628

BOLT,EYE

7

SHAFT,MAIN

8

BEARING

9

GEAR

10

BOSS,CENTER

11

07000-02125

O-RING

12

SHIM, 0.5MM

12

SHIM, 0.2MM

12

SHIM, 0.1MM

12

SHIM, 0.05MM

13

01010-30825

BOLT

14

01602-00825

WASHER,SPRING

15

706-66-40170

SEAL,OIL

16

RING,SNAP

17

SPACER

18

BEARING

19

RING,SEAL

20

O-RING

21

RING,BACK-UP

22

PIN,DOWEL

23

RING,SEAL

24

PIN,DOWEL

25

WASHER,WAVE

26

SLEEVE

27

O-RING

28

PIN,DOWEL

29

BOSS,TRUNNION

30

O-RING

31

O-RING

32

PLUG

33

O-RING

34

BOLT

35

BOLT

36

WASHER,SPRING

37

RING

38

WASHER,THRUST

39

SLEEVE

40

BOSS,TRUNNION

41

706-66-40061

COVER

42

706-66-40450

GASKET

43

01010-30830

BOLT

44

706-66-40441

COVER

45

706-66-40470

GASKET

46

01010-30820

BOLT

Выбрано товаров: 53