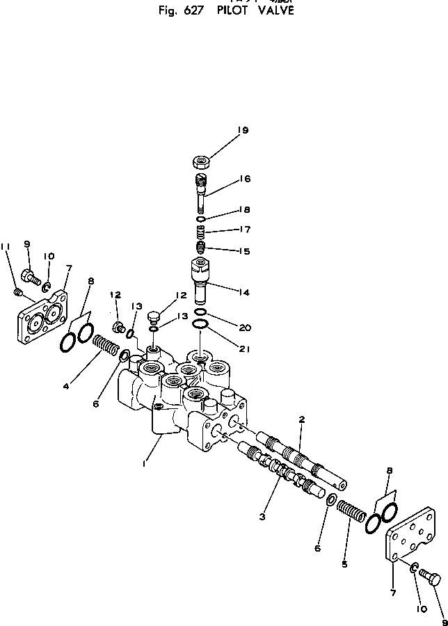
Запчасти Komatsu PW100-1 ГЛАВН. КЛАПАН УПРАВЛ-Е РАБОЧИМ ОБОРУДОВАНИЕМ

Схема запчастей Komatsu PW100-1 - ГЛАВН. КЛАПАН УПРАВЛ-Е РАБОЧИМ ОБОРУДОВАНИЕМ
FIT
1:1
100%

Артикул

Название

Примечание

Количество

|$0

702-15-24000

VALVE ASS'Y

1

BODY,VALVE

2

SPOOL

3

SPOOL

4

702-15-21140

SPRING

5

702-15-21150

SPRING

6

702-15-21160

WASHER

7

702-15-21170

PLATE

8

07000-13030

O-RING

9

01010-31030

BOLT

10

01602-01030

WASHER,SPRING

11

706-73-40340

PLUG

12

07040-11007

PLUG

13

07002-01023

O-RING

|$14

700-22-51000

VALVE ASS'Y

14

SLEEVE

15

POPPET

16

PISTON

17

SPRING

18

O-RING

19

NUT

20

07000-12014

O-RING

21

07002-02434

O-RING

Выбрано товаров: 23