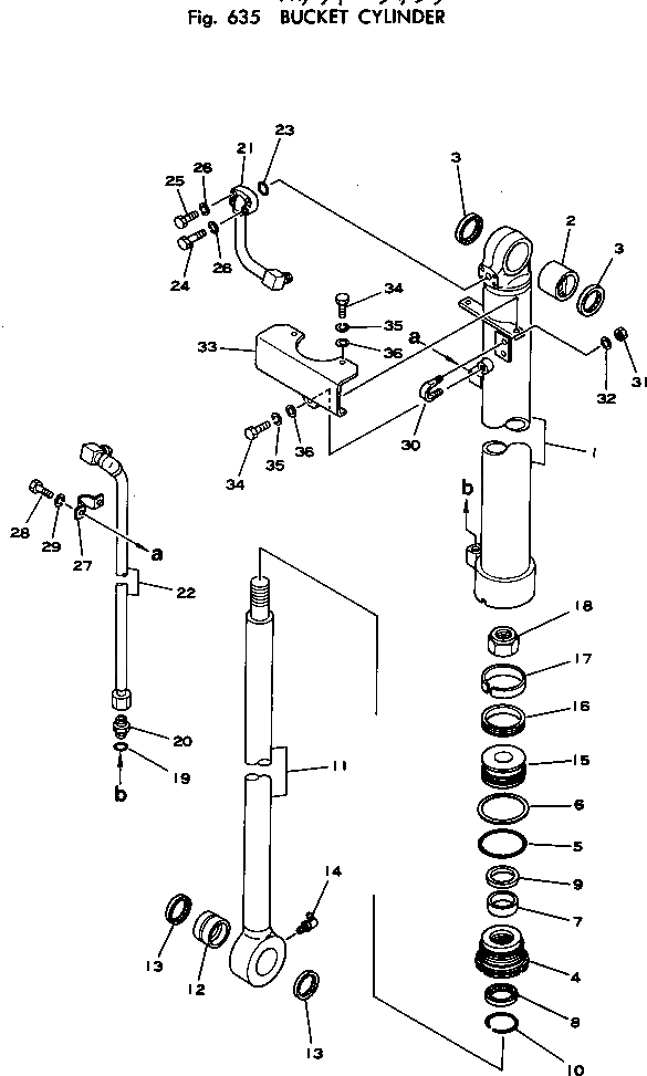
Запчасти Komatsu PW100-1 ЦИЛИНДР КОВША УПРАВЛ-Е РАБОЧИМ ОБОРУДОВАНИЕМ

Схема запчастей Komatsu PW100-1 - ЦИЛИНДР КОВША УПРАВЛ-Е РАБОЧИМ ОБОРУДОВАНИЕМ
FIT
1:1
100%

Артикул

Название

Примечание

Количество

|$0

202-63-72100

CYLINDER ASS'Y

1

202-63-72140

CYLINDER

2

202-63-26541

BUSHING

3

07145-00060

SEAL,DUST

6

07000-12115

O-RING

4

707-29-11490

HEAD,CYLINDER

5

20D-63-32290

RING,BACK-UP

7

07177-06530

BUSHING

8

144-63-92170

SEAL,DUST

9

707-51-65211

PACKING,ROD

10

07179-00088

RING,SNAP

11

202-63-72120

ROD,PISTON

12

202-63-72440

BUSHING

13

203-70-33210

SEAL,DUST

14

07020-00900

FITTING,GREASE

15

707-36-11590

PISTON

16

707-44-11080

RING,PISTON

17

07155-01125

RING,WEAR

18

07165-14547

NUT,NYLON

19

07002-12434

O-RING

20

07230-10628

UNION

21

202-63-26181

TUBE

22

202-63-72180

TUBE

23

07000-13030

O-RING

24

01010-50850

BOLT

25

01010-50835

BOLT

26

01602-20825

WASHER,SPRING

27

07282-02793

CLAMP

28

01010-51025

BOLT

29

01602-21030

WASHER,SPRING

30

07283-12738

CLIP

31

01599-01011

NUT

32

01643-31032

WASHER

33

201-63-26590

GUARD

34

01010-51025

BOLT

35

01602-21030

WASHER,SPRING

36

01640-21016

WASHER

Выбрано товаров: 37