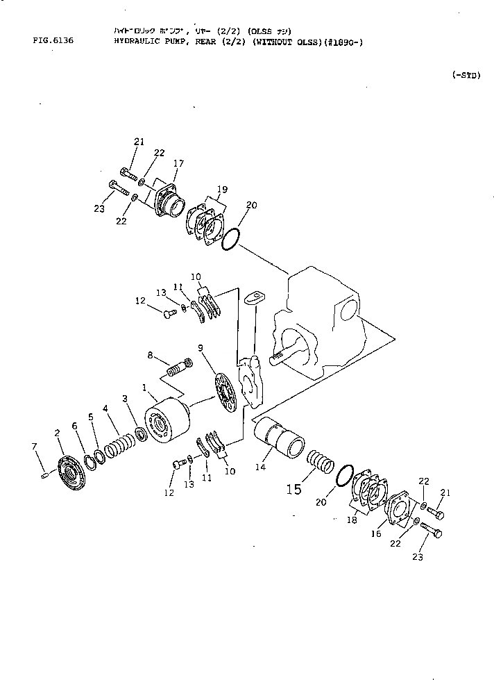
Запчасти Komatsu PW100-3 ГИДР. НАСОС.¤ ЗАДН. (/) (БЕЗ OLSS)(№89-) УПРАВЛ-Е РАБОЧИМ ОБОРУДОВАНИЕМ

Схема запчастей Komatsu PW100-3 - ГИДР. НАСОС.¤ ЗАДН. (/) (БЕЗ OLSS)(№89-) УПРАВЛ-Е РАБОЧИМ ОБОРУДОВАНИЕМ
FIT
1:1
100%

Артикул

Название

Примечание

Количество

|$0

708-23-01060

PUMP ASS'Y

|$1

708-23-10600

PUMP ASS'Y

|$3

708-23-11202

PUMP SUB ASS'Y

|$5

708-23-00020

BLOCK ASS'Y

1

CYLINDER BLOCK

2

PLATE,VALVE

3

708-23-13130

WASHER

4

708-23-13140

SPRING

5

708-23-13120

WASHER

6

04065-03815

RING,SNAP

7

720-68-19610

PIN

8

708-23-13311

PISTON ASS'Y

9

708-23-13342

RETAINER,SHOE

10

708-23-05041

SPACER KIT

10

SPACER

10

SPACER

10

SPACER

11

708-23-13431

RETAINER

12

708-23-13460

SCREW

13

01643-30623

WASHER

14

708-23-14110

PISTON

15

708-23-14130

SPRING

16

708-23-14140

CAP

17

708-23-14150

CAP

18

708-23-05080

SHIM KIT

18

SHIM

18

SHIM

18

SHIM

18

SHIM

19

708-23-05090

SHIM KIT

19

SHIM

19

SHIM

19

SHIM

19

SHIM

20

07000-02055

O-RING

21

01010-30830

BOLT

22

01643-30823

WASHER

23

01016-50840

BOLT

Выбрано товаров: 38