Запчасти Komatsu PW100N-3 ОПОРА ГИДРОЛИНИЯ (НИЖН.) (ЛЕВ.¤ ПРАВ. ПРИВОДED MOVEMENT)(№-) ШАССИ¤ ТРАНСМИССИЯ¤ МОСТ¤ КОЛЕСА И ВОЗД. СИСТЕМА

Схема запчастей Komatsu PW100N-3 - ОПОРА ГИДРОЛИНИЯ (НИЖН.) (ЛЕВ.¤ ПРАВ. ПРИВОДED MOVEMENT)(№-) ШАССИ¤ ТРАНСМИССИЯ¤ МОСТ¤ КОЛЕСА И ВОЗД. СИСТЕМА
FIT
1:1
100%

Артикул

Название

Примечание

Количество

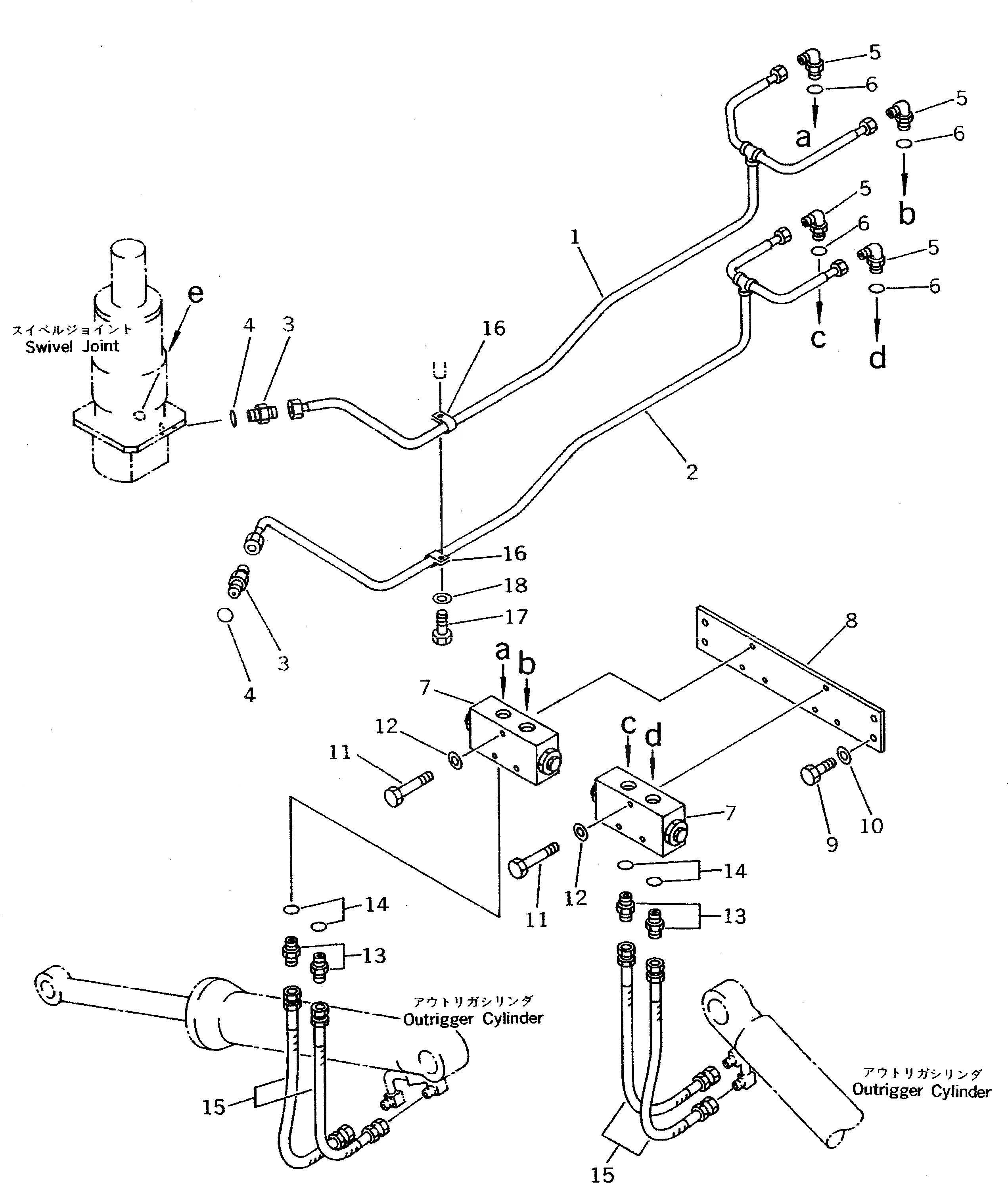
1

20D-62-44443

TUBE

|1

20D-62-44442

TUBE

2

20D-62-44453

TUBE

|2

20D-62-44452

TUBE

3

07230-20315

UNION

|3

07230-10315

UNION

4

07002-12034

O-RING

5

07235-10315

ELBOW

6

07002-02034

O-RING

7

20S-60-12120

CHECK VALVE ASS'Y

8

20D-62-44461

PLATE

9

01010-51230

BOLT

10

01643-31232

WASHER

11

01010-50865

BOLT

12

01643-30823

WASHER

13

07230-20315

UNION

|13

07230-10315

UNION

14

07002-02034

O-RING

15

07121-00305

HOSE

16

08036-01814

CLIP

17

01010-51220

BOLT

18

01643-31232

WASHER

Выбрано товаров: 22