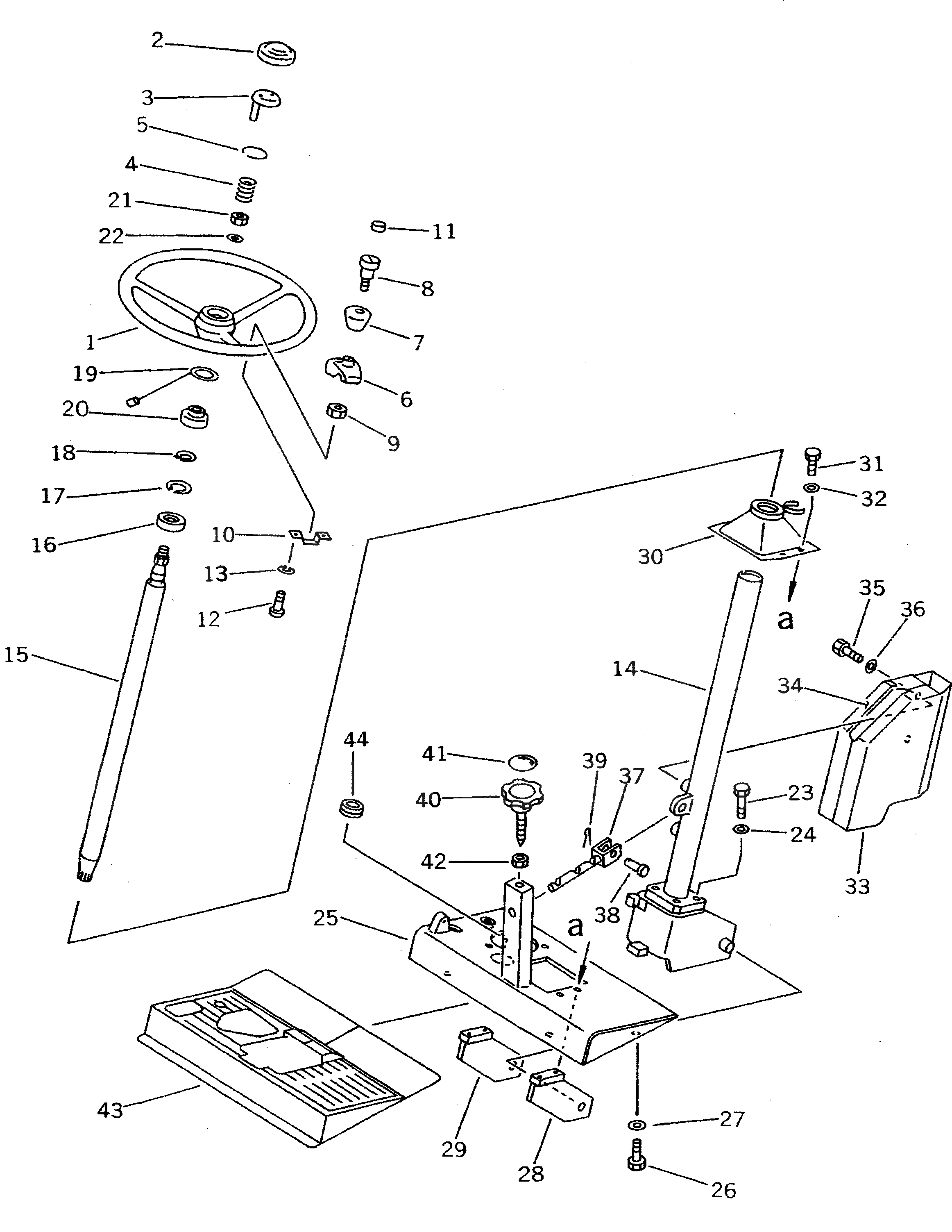
Запчасти Komatsu PW100N-3 РУЛЕВОЕ КОЛЕСО (НАКЛОН. ТИП) СИСТЕМА УПРАВЛЕНИЯ И ОСНОВНАЯ РАМА

Схема запчастей Komatsu PW100N-3 - РУЛЕВОЕ КОЛЕСО (НАКЛОН. ТИП) СИСТЕМА УПРАВЛЕНИЯ И ОСНОВНАЯ РАМА
FIT
1:1
100%

Артикул

Название

Примечание

Количество

|1

22W-40-11200

HANDLE ASS'Y

1

22W-40-11210

HANDLE

2

22W-40-11220

BUTTON,HORN

3

22W-40-11230

CONTACT

4

22W-40-11240

SPRING

5

22W-40-11250

LOCK,SPRING

|6

22W-40-11300

KNOB ASS'Y

6

22W-40-11310

STAY

7

22W-40-11320

KNOB

8

22W-40-11330

BOLT

9

01580-11008

NUT

10

22W-40-11340

PLATE

11

22W-40-11350

CAP

12

01220-40625

SCREW

13

01602-20619

WASHER,SPRING

14

20D-40-41170

COLUMN

15

20G-40-11120

SHAFT

16

06002-06004

BEARING

17

04065-04218

RING,SNAP

18

04064-02012

RING,SNAP

19

20G-40-11210

RING

20

20G-40-11221

SEAT

21

01582-11210

NUT

22

01643-31232

WASHER

23

01010-51045

BOLT

24

01643-31032

WASHER

25

20D-40-41160

PLATE

26

01010-51030

BOLT

27

01602-21030

WASHER,SPRING

28

20D-40-41130

BRACKET,L.H.

29

20D-40-41140

BRACKET,R.H.

30

20D-40-41220

BOOT

31

01010-51025

BOLT

32

01643-31032

WASHER

33

20D-40-41210

COVER

34

20D-40-41230

PLATE

35

01010-51016

BOLT

26

01643-31032

WASHER

37

20D-40-41120

SHAFT

38

04205-12042

PIN

39

04050-15030

PIN,COTTER

40

20D-40-41150

KNOB

41

20D-40-41190

PLATE

42

01580-11411

NUT

43

20D-54-43231

MAT

44

08037-03620

GROMMET

Выбрано товаров: 46