Запчасти Komatsu PW100NS-3 ГИДРОЛИНИЯ (ДРЕНАЖН.)(№-) ШАССИ¤ ТРАНСМИССИЯ¤ МОСТ¤ КОЛЕСА И ВОЗД. СИСТЕМА

Схема запчастей Komatsu PW100NS-3 - ГИДРОЛИНИЯ (ДРЕНАЖН.)(№-) ШАССИ¤ ТРАНСМИССИЯ¤ МОСТ¤ КОЛЕСА И ВОЗД. СИСТЕМА
FIT
1:1
100%

Артикул

Название

Примечание

Количество

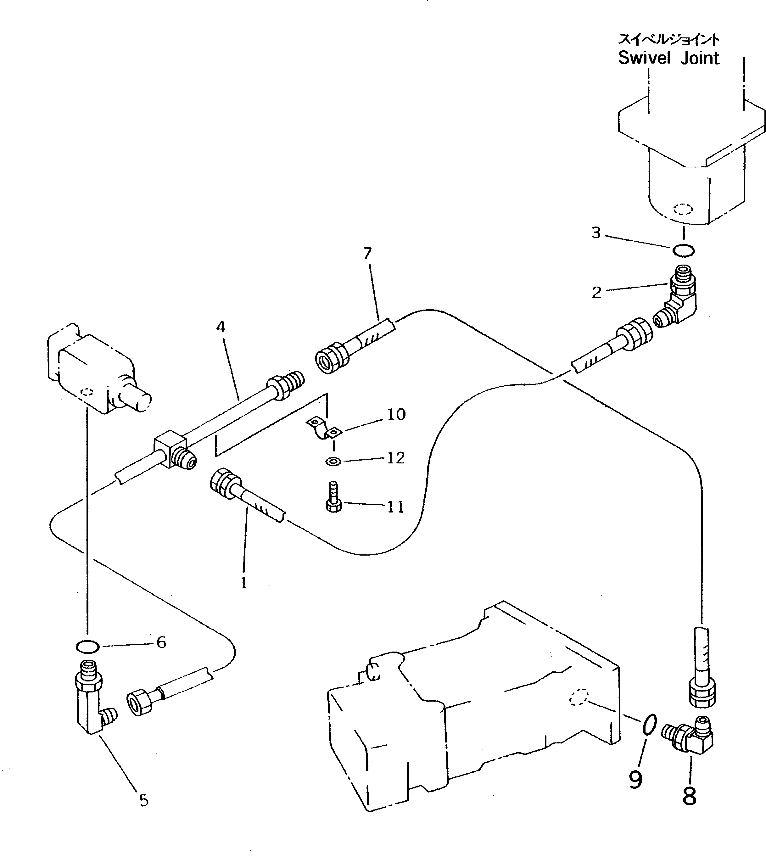
1

07102-20312

HOSE

2

07235-10315

ELBOW

3

07002-12034

O-RING

4

20D-62-44590

TUBE

5

07230-10315

UNION

6

07002-12034

O-RING

7

07102-20305

HOSE

8

20R-62-11440

ELBOW

9

07002-12434

O-RING

10

07282-11568

CLAMP

11

01010-50812

BOLT

12

01643-30823

WASHER

Выбрано товаров: 0