Запчасти Komatsu PW100S-3 ЭЛЕКТРИКА (/)(№-) КОМПОНЕНТЫ ДВИГАТЕЛЯ И ЭЛЕКТРИКА

Схема запчастей Komatsu PW100S-3 - ЭЛЕКТРИКА (/)(№-) КОМПОНЕНТЫ ДВИГАТЕЛЯ И ЭЛЕКТРИКА
FIT
1:1
100%

Артикул

Название

Примечание

Количество

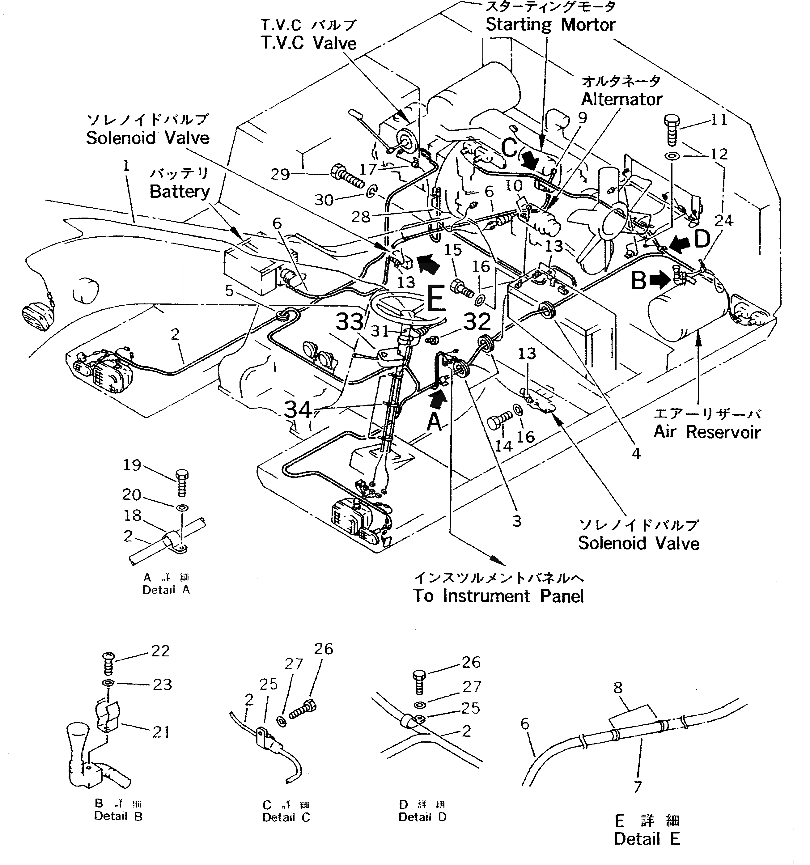
1

203-06-41781

WIRE

|1

203-06-41780

WIRE

2

20D-06-41322

WIRE ASS'Y

|2

20D-06-41321

WIRE ASS'Y

|2

22W-06-13590

DIODE

3

203-06-41550

GROMMET

4

150-952-7160

GROMMET

5

08037-03614

GROMMET

6

08028-12275

CABLE

7

203-04-31230

COVER

8

08034-00519

BAND

9

08038-04030

CAP

10

08038-00519

CAP

11

01010-51020

BOLT

12

01643-31032

WASHER

13

08036-01814

CLIP

14

01010-51020

BOLT

15

01010-51016

BOLT

16

01643-31032

WASHER

17

08036-10814

CLIP

18

08036-03014

CLIP

19

01010-51020

BOLT

20

01643-31032

WASHER

21

283-06-17130

CLIP

22

01220-40616

SCREW

23

01641-20608

WASHER

24

08034-00519

BAND

25

08036-01814

CLIP

26

01010-51020

BOLT

27

01643-31032

WASHER

28

08028-12025

CABLE

29

01010-51016

BOLT

30

01602-21030

WASHER,SPRING

31

20G-06-19940

SWITCH,TURN SIGNAL

32

01220-40425

SCREW

33

20G-06-12350

SWITCH ASS'Y

34

362-43-15360

BAND

Выбрано товаров: 37