Запчасти Komatsu PW100S-3B ГИДР. НАСОС.¤ ПЕРЕДН. (/) (С OLSS) УПРАВЛ-Е РАБОЧИМ ОБОРУДОВАНИЕМ

Схема запчастей Komatsu PW100S-3B - ГИДР. НАСОС.¤ ПЕРЕДН. (/) (С OLSS) УПРАВЛ-Е РАБОЧИМ ОБОРУДОВАНИЕМ
FIT
1:1
100%

Артикул

Название

Примечание

Количество

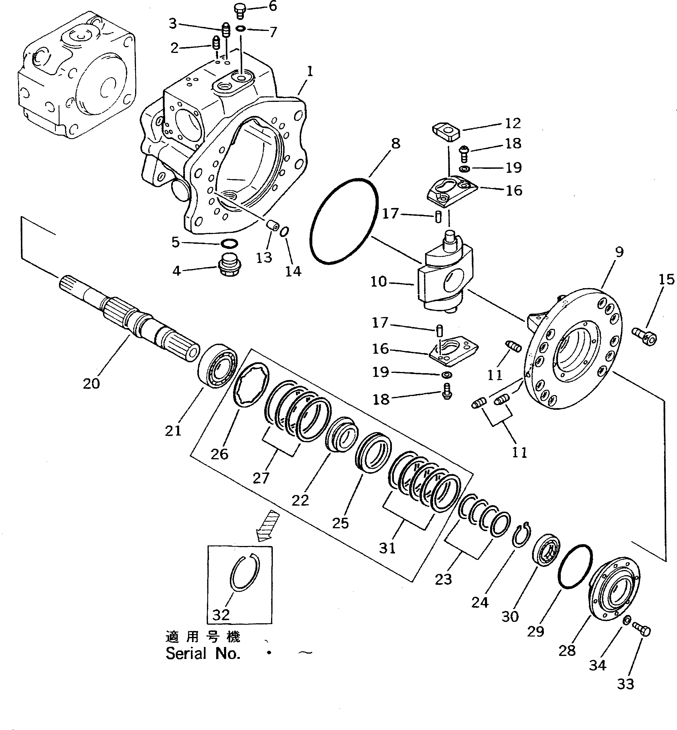
|1

708-23-01070

PUMP ASS'Y (HPV55+55)

|1

708-23-01032

PUMP ASS'Y (HPV55+55)

|1

708-23-01030

PUMP ASS'Y (HPV55+55)

|1

708-23-10300

PUMP ASS'Y (HPV55+55)

|1

708-23-11101

PUMP SUB ASS'Y

|1

708-23-11301

PUMP SUB ASS'Y

|1

708-23-11300

PUMP SUB ASS'Y

|1

708-23-00340

CASE ASS'Y,FRONT

|1

708-23-00050

CASE ASS'Y,FRONT

1

CASE,FRONT

2

PLUG

|2

PLUG

3

PLUG

|3

PLUG

4

07044-12412

PLUG

5

07002-02434

O-RING

6

720-68-19870

PLUG

7

07002-01223

O-RING

8

706-73-42370

O-RING

|9

708-23-00360

CRADLE ASS'Y

|9

708-23-00110

CRADLE ASS'Y

9

CRADLE,FRONT

|9

CRADLE,FRONT

10

CAM,CAM

11

PLUG

12

708-23-14120

SLIDER

13

708-23-12330

JOINT

14

07000-12015

O-RING

15

708-25-12350

BOLT

16

708-23-12340

PLATE

17

708-23-12370

PIN

18

708-23-12350

SCREW

19

01643-30823

WASHER

20

708-23-12711

SHAFT

|20

708-23-12710

SHAFT

21

708-23-12751

BEARING

|21

708-23-12750

BEARING

22

708-23-12770

RETAINER

23

708-23-05010

WASHER KIT

|23

WASHER¤ 2.60MM

|23

WASHER¤ 2.70MM

|23

WASHER¤ 2.80MM

|23

WASHER¤ 2.90MM

24

708-23-12840

RING,SNAP

25

06000-51110

BEARING

26

708-23-12910

COLLAR

27

708-23-05020

SHIM KIT

|27

SHIM

|27

SHIM

28

708-23-12851

HOUSING

|28

708-23-12850

HOUSING

29

07000-02065

O-RING

|29

07000-02075

O-RING

30

708-23-12860

SEAL,OIL

31

708-23-05030

SHIM KIT

|31

SHIM

|31

SHIM

|31

SHIM

32

708-23-12660

RING

33

01010-30616

BOLT

34

01643-30623

WASHER

Выбрано товаров: 61