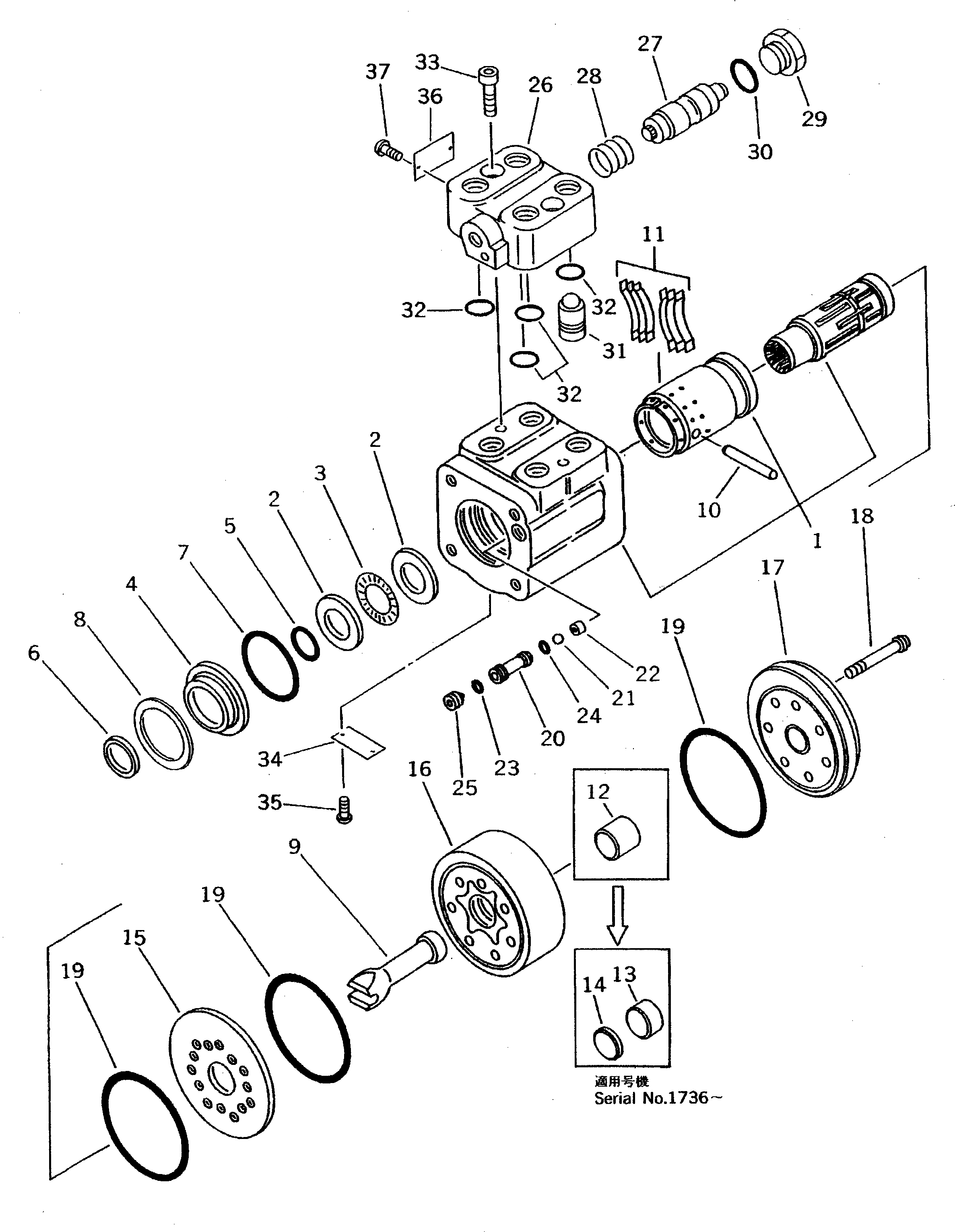
Запчасти Komatsu PW100S-3B КЛАПАН РУЛЕВОГО УПРАВЛЕНИЯ УПРАВЛ-Е РАБОЧИМ ОБОРУДОВАНИЕМ

Схема запчастей Komatsu PW100S-3B - КЛАПАН РУЛЕВОГО УПРАВЛЕНИЯ УПРАВЛ-Е РАБОЧИМ ОБОРУДОВАНИЕМ
FIT
1:1
100%

Артикул

Название

Примечание

Количество

|1

20D-60-41211

STEERING VALVE ASS'Y

|1

20D-60-41210

STEERING VALVE ASS'Y

1

ST8334-M1

HOUSING ASS'Y

|1

ST8334

HOUSING ASS'Y

2

ST8329

RACE

3

ST5544

BEARING

4

ST7443

BUSHING

5

ST20599

SEAL,OIL (K5)

6

ST844

SEAL,DUST (K5)

7

ST15074

O-RING (K5)

8

ST14317

RING,RETAINING

9

ST5126

DRIVE

10

ST15

PIN

11

ST370

SPRING

12

ST20642

SPACER

13

ST6901-3

SPACER¤ 12.2MM

14

ST6901-9

SPACER¤ 3.6MM

15

ST7970

PLATE

16

ST8436-5

GEROTOR

|16

ST8436-7

GEROTOR

17

ST8438S-1

CAP

18

ST5389-15

SCREW

|18

ST5389-6

SCREW

19

ST5776

O-RING (K5)

20

ST8318

SEAT,CHECK

21

ST18001

BALL

22

ST6862

RETAINER

23

ST15007

O-RING (K5)

24

ST15006

O-RING (K5)

25

ST14380

SCREW,SET

26

STA45034-6

HOUSING ASS'Y

27

STA45076

VALVE ASS'Y

|27

STA45011

VALVE ASS'Y

28

STA45013-2

SPRING

29

STA45014

PLUG

30

STA40001-18

O-RING

31

STA45018-1

VALVE ASS'Y

32

STA40001-22

O-RING

33

STA45020

BOLT

34

ST9029S-2

PLATE,NAME

35

ST14334

SCREW

36

ST9029S-8

PLATE,NAME

|36

ST9029S-2

PLATE,NAME

37

ST45022

SCREW

Выбрано товаров: 44