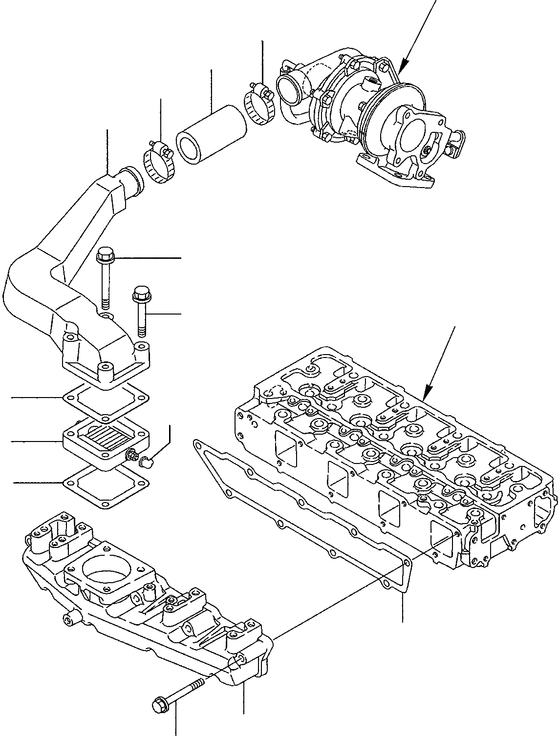
Запчасти Komatsu PW110R-1 ТРУБОПРОВОД ВПУСКА ВОЗДУХА ДВИГАТЕЛЬ

Схема запчастей Komatsu PW110R-1 - ТРУБОПРОВОД ВПУСКА ВОЗДУХА ДВИГАТЕЛЬ
11
10
6
5
4
5
7
9
8
3
1
2
12
A
B
FIT
1:1
100%

Артикул

Название

Примечание

Количество

\0

226-01-11000

MOTOR, ASSY.

1

YM123900-12100

MANIFOLD, INTAKE

2

YM123900-12110

GASKET

3

YM26106-080702

BOLT

4

YM129595-18141

PIPE

5

YM23000-054000

CLAMP

6

YM123912-18350

BEND

7

YM123900-77020

GASKET

8

YM123900-77030

GASKET

9

YM123900-77500

HEATER AIR

10

YM26106-100752

BOLT

11

YM26106-100952

BOLT

12

YM124756-77040

PLUG

Выбрано товаров: 13