Запчасти Komatsu PW110R-1 ЭЛЕКТРИКА (LIGHT И SERVICE ЛИНИЯ) (/) КОМПОНЕНТЫ ДВИГАТЕЛЯ И ЭЛЕКТРИКА

Схема запчастей Komatsu PW110R-1 - ЭЛЕКТРИКА (LIGHT И SERVICE ЛИНИЯ) (/) КОМПОНЕНТЫ ДВИГАТЕЛЯ И ЭЛЕКТРИКА
a
a
b
b
c
c
2
1
1
1
4
5
3
1
6
8
5
7
2
11
9
10
7
FIT
1:1
100%

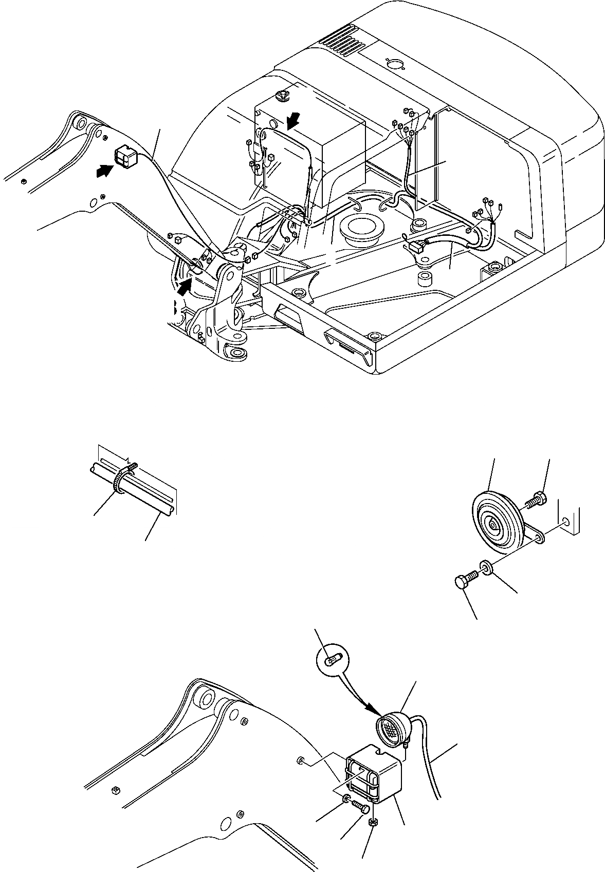
Артикул

Название

Примечание

Количество

1

226-06-11302

WIRING HARNESS, FRAME REVOLVING

2

226-06-11120

WIRING HARNESS, WORK LIGHT

3

226-06-11130

COLLAR

4

21D-06-11250

HORN

5

01010-50614

BOLT

6

01643-30623

WASHER

7

22E-06-11440

WORK LIGHT

8

22E-06-11450

BULB

9

21D-06-12810

SUPPORT

10

01010-51020

BOLT

11

01643-31032

WASHER

Выбрано товаров: 0