Запчасти Komatsu PW110R-1 ГИДРОЛИНИЯ ПОДВЕСКА БЛОКИР. ЛИНИЯ ЦИЛИНДРА ХОДОВАЯ

Схема запчастей Komatsu PW110R-1 - ГИДРОЛИНИЯ ПОДВЕСКА БЛОКИР. ЛИНИЯ ЦИЛИНДРА ХОДОВАЯ
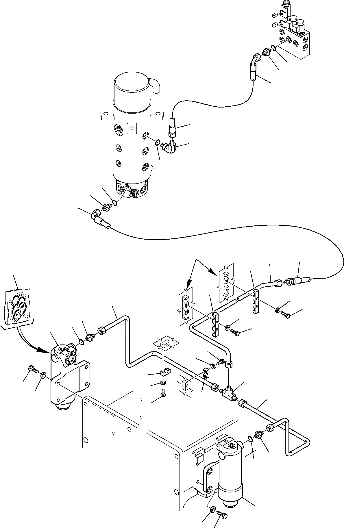
2
1
3
3
4
5
7
6
8
8
9
10
22
10
12
14
11
19
12
20
21
11
16
17
15
13
23
17
18
24
15
16
19
20
21
24
23
FIT
1:1
100%

Артикул

Название

Примечание

Количество

1

21D-09-51190

UNION

2

21D-09-69910

O-RING

3

21D-09-97690

HOSE

4

21D-09-51620

ELBOW

5

21D-09-69960

O-RING

6

21D-09-51180

UNION

7

21D-09-69960

O-RING

8

21D-09-98120

HOSE

9

226-62-13110

PIPE

10

22E-62-12180

CLAMP

11

01016-50830

BOLT

12

01643-30823

WASHER

13

21D-09-57440

TEE

14

226-62-13480

PIPE

15

21D-09-68150

CLAMP

16

01010-50620

BOLT

17

01643-30623

WASHER

18

226-62-13120

PIPE

19

21D-09-54510

UNION

20

21D-09-69890

O-RING

21

226-61-11900

LOCK AXLE CYLINDER

22

226-61-11910

KIT, GASKET

23

01010-51645

BOLT

24

21D-09-72430

WASHER

Выбрано товаров: 24