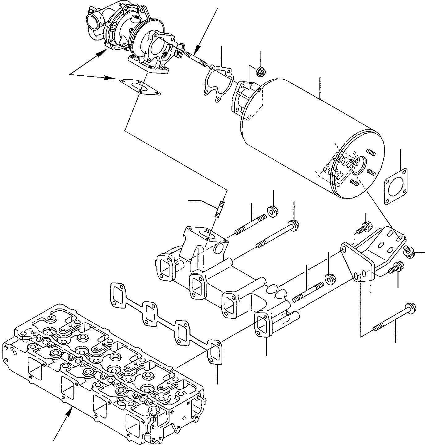
Запчасти Komatsu PW110R-1 ВЫПУСКНОЙ КОЛЛЕКТОР И ГЛУШИТЕЛЬ ДВИГАТЕЛЬ

Схема запчастей Komatsu PW110R-1 - ВЫПУСКНОЙ КОЛЛЕКТОР И ГЛУШИТЕЛЬ ДВИГАТЕЛЬ
9
14
8
7
10
1
4
5
11
10
12
1
11
6
13
2
3
A
B
B
FIT
1:1
100%

Артикул

Название

Примечание

Количество

\0

226-01-11000

MOTOR, ASSY.

1

YM119593-11300

SCREW

2

YM123901-13200

MANIFOLD, EXHAUST

3

YM123900-13110

GASKET

4

YM26106-081002

BOLT

5

YM26213-080222

STUD

6

YM123912-13650

STAY, SILENCER

7

YM129400-13201

GASKET

8

YM123912-13500

MUFFLER

9

YM123901-18080

GASKET

10

YM26366-080002

NUT

11

YM26106-080222

BOLT

12

YM26106-080222

BOLT

13

YM26106-081102

BOLT

14

YM26366-080002

NUT

Выбрано товаров: 15