Запчасти Komatsu PW118MR-8 COMMON RAIL ДВИГАТЕЛЬ АКСЕССУАРЫ И ДР.

Схема запчастей Komatsu PW118MR-8 - COMMON RAIL ДВИГАТЕЛЬ АКСЕССУАРЫ И ДР.
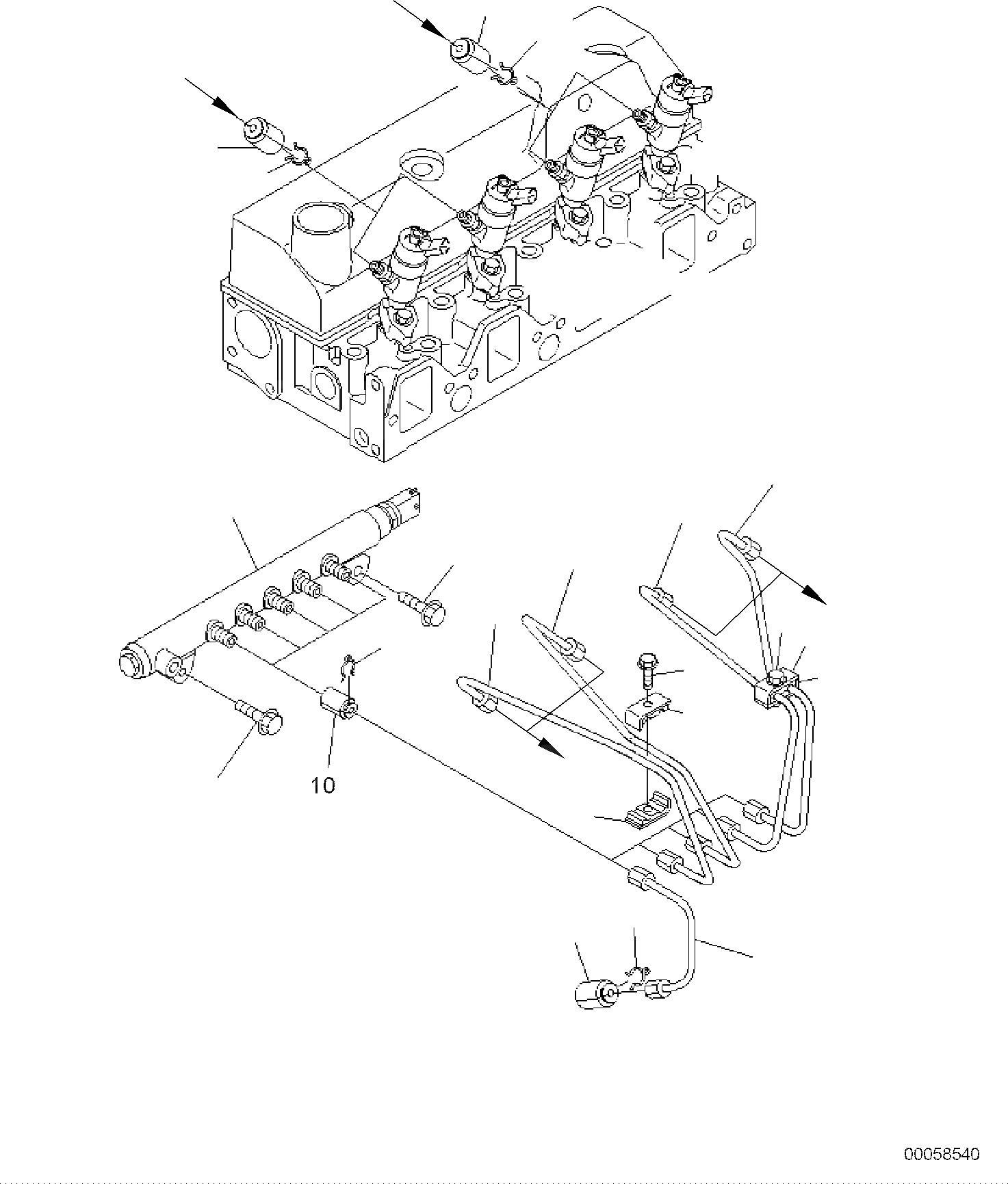
1
2
2
3
4
5
6
7
8
8
8
8
9
9
10
11
11
10
11
10
11
a
a
b
b
FIT
1:1
100%

Артикул

Название

Примечание

Количество

1

6271-71-1210

COMMON RAIL

2

01435-01035

BOLT

3

6271-71-5210

TUBE

4

6271-71-5110

TUBE

5

6271-71-5120

TUBE

6

6271-71-5130

TUBE

7

6271-71-5140

TUBE

8

6215-71-5292

CLAMP

9

01435-00625

BOLT

10

6271-71-5890

COVER

11

6217-71-5770

CLAMP

Выбрано товаров: 11