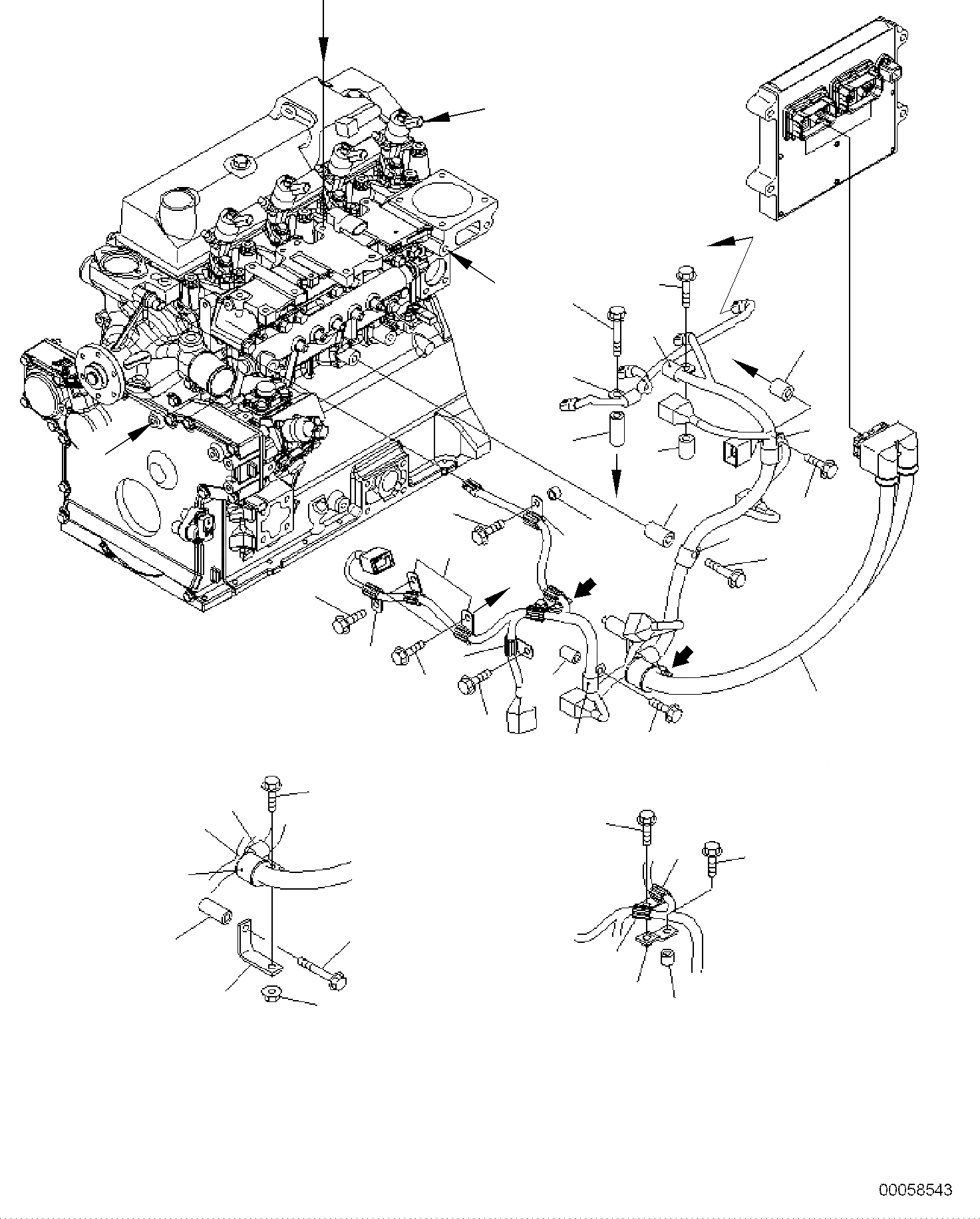
Запчасти Komatsu PW118MR-8 ПРОВОДКА ДВИГАТЕЛЬ ЭЛЕКТРИКА

Схема запчастей Komatsu PW118MR-8 - ПРОВОДКА ДВИГАТЕЛЬ ЭЛЕКТРИКА
1
5
4
8
7
6
4
17
22
18
16
19
20
15
21
3
2
3
2
3
13
12
14
25
23
34
32
33
24
30
27
26
28
29
31
11
2
9
10
a
a
b
b
c
c
d
d
a
b
b
a
FIT
1:1
100%

Артикул

Название

Примечание

Количество

1

6271-81-8211

WIRING HARNESS

2

600-051-1100

CLIP

3

01435-00814

BOLT

4

600-051-1100

CLIP

5

01435-00816

BOLT

6

6115-51-7740

PLATE

7

6141-64-2560

SPACER

8

01435-00830

BOLT

9

600-051-1100

CLIP

10

6167-11-6640

SPACER

11

01435-00820

BOLT

12

600-051-1140

CLIP

13

195-979-3510

COLLAR

14

01435-00835

BOLT

15

600-051-1180

CLIP

16

6143-11-4290

SPACER

17

01435-00860

BOLT

18

6271-81-8980

BRACKET

19

04434-53211

CLAMP

20

07095-20523

RUBBER

21

01435-00820

BOLT

22

01584-00806

NUT

23

600-051-2180

CLIP

24

6150-81-6920

SPACER

25

01435-01055

BOLT

26

600-051-2100

CLIP

27

6143-11-4290

SPACER

28

01435-01070

BOLT

29

600-051-1140

CLIP

30

6130-12-4581

SPACER

31

01435-00840

BOLT

32

600-051-2180

CLIP

33

144-874-7470

BOSS

34

01435-01040

BOLT

Выбрано товаров: 34