Запчасти Komatsu PW128UU-1 ВЕРХН. ЭЛЕКТР. (ДЛЯ КЛАПАН) КАБИНА ОПЕРАТОРА И СИСТЕМА УПРАВЛЕНИЯ

Схема запчастей Komatsu PW128UU-1 - ВЕРХН. ЭЛЕКТР. (ДЛЯ КЛАПАН) КАБИНА ОПЕРАТОРА И СИСТЕМА УПРАВЛЕНИЯ
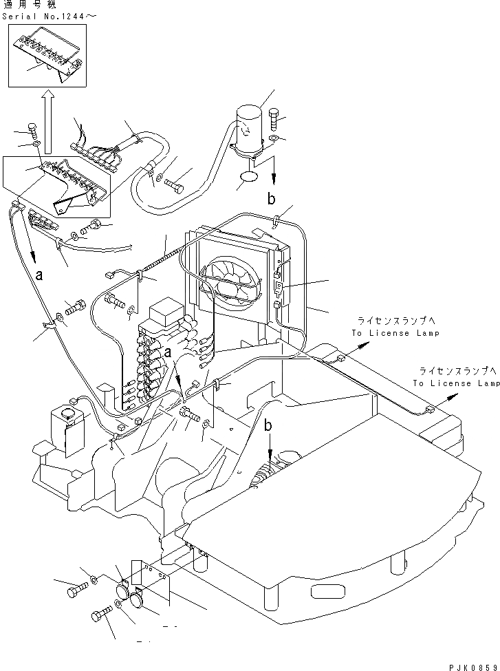
1
2
3
3A
3B
3C
3D
3E
3F
4
4
5
6
7
8
9
10
11
12
13
14
15
16
17
18
19
20
20
21
21
22
23
24
25
26
27
28
FIT
1:1
100%

Артикул

Название

Примечание

Количество

1

21J-06-12132

SLIP RING ASS'Y

|1

21J-06-12131

SLIP RING ASS'Y

|1

21J-06-12130

SLIP RING ASS'Y

2

01010-80855

BOLT

3

01643-30823

WASHER

3A

07000-B2100

O-RING

3B

04434-52312

CLIP

3C

01010-81220

BOLT

3D

01643-31232

WASHER

3E

08034-20414

BAND

3F

08034-00519

BAND

4

21J-06-12450

BRACKET

|4

21J-06-12252

BRACKET

|4

21J-06-12251

BRACKET

5

01010-81220

BOLT

6

01643-31232

WASHER

7

21J-06-12216

WIRING HARNESS

|7

21J-06-12215

WIRING HARNESS

|7

21J-06-12213

WIRING HARNESS

|7

21J-06-12212

WIRING HARNESS

8

04434-51412

CLIP

|8

08036-01414

CLIP

9

04434-51012

CLIP

|9

08036-01014

CLIP

10

01010-81220

BOLT

|10

01010-81220

BOLT

11

01643-31232

WASHER

|11

01643-31232

WASHER

12

08034-00519

BAND

13

04434-51412

CLIP

|13

08036-01414

CLIP

14

01010-81220

BOLT

|14

01010-81020

BOLT

15

01643-31232

WASHER

|15

01643-31032

WASHER

16

04434-53412

CLIP

|16

155-61-15350

CLIP

17

01010-81225

BOLT

18

01643-31232

WASHER

19

08160-62430

HORN

20

01010-80820

BOLT

21

01643-30823

WASHER

22

21J-06-12261

COVER

|22

21J-06-12260

COVER

23

08160-62420

HORN

24

08053-01510

CLIP

25

08210-01202

SPIRAL TUBE

26

04434-52212

CLIP

27

01010-81220

BOLT

28

01643-31232

WASHER

Выбрано товаров: 50